3-A, 29-V, linear voltage regulator
Texas Instruments
RSS
Sample
Przejdź do sklepu »
- Darmowa próbka
- MPN:
- LM1085
- Producent:
- TEXAS INSTRUMENTS
- Dodany do bazy:
- Ostatnio widziany:
Sugerowane produkty dla lm1085
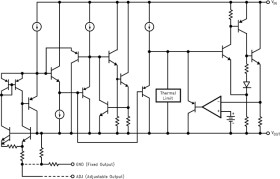
The LM1085 is a regulator with a maximum dropout of 1.5 V at 3 A of load current. It has the same pin-out as TIs industry standard LM317.
Two resistors are required to set the output voltage of the adjustable output voltage version of the LM1085. Fixed output voltage versions integrate the adjust resistors.
The LM1085 circuit includes a zener trimmed bandgap reference, current limiting and thermal shutdown.
Refer to the LM1084 for the 5A version, and the LM1086 for the 1.5A version.
Elecena nie prowadzi sprzedaży elementów elektronicznych, ani w niej nie pośredniczy.
Produkt pochodzi z oferty sklepu Texas Instruments