elecena.pl

Charge Pump Driver for 6 White LED LCD Backlights

Analog Devices

Charge Pump Driver for 6 White LED LCD Backlights RSS Sample
  • Darmowa próbka
MPN:
ADM8845
Producent:
ANALOG DEVICES
Dodany do bazy:
Ostatnio widziany:

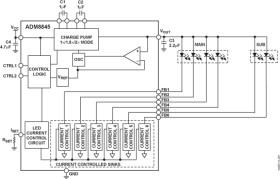
The ADM8845 uses charge pump technology to provide the power required to drive up to six LEDs. The LEDs are used for backlighting a color LCD display, having regulated constant current for uniform brightness intensity. The main display can have up to four LEDs, and the sub display can have one or two LEDs. The digital CTRL1 and CTRL2 input control pins control the shutdown operation and the brightness of the main and sub displays.

To maximize power efficiency, the charge pump can operate in a 1×, 1.5×, or 2× mode. The charge pump automatically switches between 1×/1.5×/2× modes, based on the input voltage, to maintain sufficient drive for the LED anodes at the highest power efficiency.

Improved brightness matching of the LEDs is achieved by a feedback pin to sense individual LED current with a maximum matching accuracy of 1%.

Applications

* Cellular phones with main and sub displays

* White LED backlighting

* Camera flash/strobes and movie lights

* Micro TFT color displays

* DSC

* PDAs

* Drives 6 LEDs from 2.6 V to 5.5 V (Li-Ion) input supply

* 1×/1.5×/2× fractional charge pump to maximize power efficiency

* 1% max LED current matching

* Up to 88% power efficiency over Li-Ion range

* Powers main and sub display LEDs with individual shutdown

* Package footprint only 9 mm2 (3 mm × 3 mm)

* Package height only 0.75 mm

* Low power shutdown mode

* Shutdown function

* Soft-start limiting in-rush current

Elecena nie prowadzi sprzedaży elementów elektronicznych, ani w niej nie pośredniczy.

Produkt pochodzi z oferty sklepu