elecena.pl

SIMPLE SWITCHER 2.7V to 5.5V, 24Vout, 2.1A Boost Converter in SOT-23

Texas Instruments

SIMPLE SWITCHER 2.7V to 5.5V, 24Vout, 2.1A Boost Converter in SOT-23 RSS Sample
  • Darmowa próbka
MPN:
LMR62421
Producent:
TEXAS INSTRUMENTS
Dodany do bazy:
Ostatnio widziany:

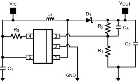
The LMR62421 is an easy-to-use, space-efficient 2.1A low-side switch regulator ideal for Boost and SEPIC DC-DC regulation. It provides all the active functions to provide local DC/DC conversion with fast-transient response and accurate regulation in the smallest PCB area. Switching frequency is internally set to 1.6 MHz, allowing the use of extremely small surface mount inductor and chip capacitors while providing efficiencies near 90%. Current-mode control and internal compensation provide ease-of-use, minimal component count, and high-performance regulation over a wide range of operating conditions. External shutdown features an ultra-low standby current of 80 nA ideal for portable applications. Tiny 5-pin SOT-23 and 6-pin WSON packages provide space-savings. Additional features include internal soft-start, circuitry to reduce inrush current, pulse-by-pulse current limit, and thermal shutdown.

Elecena nie prowadzi sprzedaży elementów elektronicznych, ani w niej nie pośredniczy.

Produkt pochodzi z oferty sklepu