elecena.pl

Enhanced 2:1 Port Selector and 1:2 Port Multiplier for Serial ATA and Serial Attached SCSI

Analog Devices

Enhanced 2:1 Port Selector and 1:2 Port Multiplier for Serial ATA and Serial Attached SCSI RSS Sample
  • Darmowa próbka
MPN:
VSC7173
Producent:
ANALOG DEVICES
Dodany do bazy:
Ostatnio widziany:

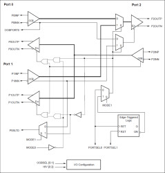
The VSC7173 is a Serial ATA and Serial Attached SCSI multiplier and buffer that implements a 2:1 failover-switch function for 1.5Gbps and 3.0Gbps links. This function is used when dual hosts, such as I/O controllers, must access single-port disk drives in high-availability storage subsystems where redundancy and load sharing are important. The outputs from the I/O controllers are multiplexed to a Serial ATA or Serial Attached SCSI drive. The output from the Serial ATA drive is buffered and replicated to the I/O controllers. When switching from one I/O controller to the other, a Serial ATA link must be reinitialized with out-of-band (OOB) signals, which are transferred through the VSC7173 transparently. The VSC7173 provides high output swings with preemphasis and programmable receiver sensitivity that are needed to drive long backplanes and external cables.

In addition to the above features, the VSC7173 also supports a 1:2 port multiplier (link replicator) mode where one host can connect two drives. A common application is where a Serial ATA host bus adapter (HBA) requires an internal and an external connector where the VSC7173 steers serial data between the HBA and the two connectors.

To receive additional supporting documentation for this device, email

var name = "storage.support@";

var domain = "maximintegrated.com";

document.write ("" + name + domain + "");

.

Applications

* Active-Passive Redundant Failover Systems * Buffers for Externally Connected Links * Disk-Based Backup Systems * Dual-Ported Serial ATA Disk and Serial Attached SCSI Disk Arrays (JBODs) * NAS Servers * RAID Subsystems * Serial ATA and Serial Attached SCSI Routing applications * Serial ATA Host Bus Adapters Selecting Between Internal and External Connectors * Serial ATA Port Replicators

* 2:1 Port Selector and 1:2 Port Multiplier for Both Serial ATA (SATA) and Serial Attached SCSI (SAS) Links

* Serial ATA 1.0 Compliant at 1.5Gbps (3.0Gbps Capable)

* Passes Serial ATA Patterns Transparently

* Programmable Receiver Sensitivity

* High Output Swing Mode with Preemphasis

* Compatible with VSC7175 and VSC7177 Designs

* 0.7W Power Dissipation

* 3.3V Power Supply

* 32-Pin, 7mm x 7mm QFP-N Package

Elecena nie prowadzi sprzedaży elementów elektronicznych, ani w niej nie pośredniczy.

Produkt pochodzi z oferty sklepu