elecena.pl

Energy Meter ICs

Analog Devices

Energy Meter ICs RSS Sample
  • Darmowa próbka
MPN:
71M6533G
Producent:
ANALOG DEVICES
Dodany do bazy:
Ostatnio widziany:

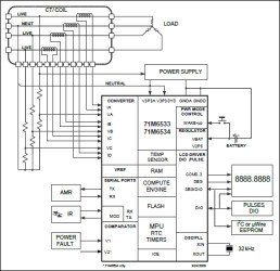
The Teridian™ 71M6533 and 71M6534 are third-generation polyphase metering systems-on-chips (SoCs) with a 10MHz 8051-compatible MPU core, low-power RTC, flash, and LCD driver. The Single Converter Technology® with a 22-bit delta-sigma ADC, seven analog inputs, digital temperature compensation, precision voltage reference, and a 32-bit computation engine (CE) supports a wide range of metering applications with very few external components.

The 71M6533 and 71M6534 add several new features to the Teridian flagship 71M6513 polyphase meters, including an SPI interface, advanced power management with < 1µA sleep current, 4KB shared RAM, and 128KB (71M6533/H, 71M6534), or 256KB (71M6533G, 71M6534H) flash, which can be programmed in the field with new code and/or data during meter operation. Higher processing and sampling rates and larger memory offer a powerful metering platform for commercial and industrial meters with up to class 0.2 accuracy.

A complete array of ICE and development tools, programming libraries and reference designs enable rapid development and certification of meters that meet all ANSI and IEC electricity metering standards worldwide.Applications

* Industrial, Commercial, and Grid Meters: 0.5% Accuracy

* Wh Accuracy < 0.1% Over 2000:1 Range

* Exceeds IEC 62053/ANSI C12.20 Standards

* Seven Sensor Inputs with Neutral Current Measurement

* Low-Jitter Wh and VARh Plus Two Additional Pulse Test Outputs (4 Total, 10kHz max) with Pulse Count

* Four-Quadrant Metering

* Phase Sequencing

* Line Frequency Count for RTC

* Digital Temperature Compensation

* Independent 32-Bit CE

* 46-64 Hz Line Frequency Range with Same Calibration; Phase Compensation (± 7°)

* Three Battery-Backup Modes with Wake-Up on Timer or Pushbutton:

* Brownout Mode (82µA typ, 71M6533)

* LCD Mode (21µA typ, DAC active)

* Sleep Mode (0.7µA typ)

* Energy Display During Mains Power Failure

* 39mW (typ) Consumption at 3.3V, MPU Clock Frequency 614kHz

* 8-Bit MPU (80515), 10MHz (max), One Clock Cycle per Instruction with Integrated ICE for Debug

* LCD Driver with Four Common Segment Drivers:

* Up to 228 Pixels (71M6533) or 300 Pixels (71M6534)

* Four Dedicated + 35 (71M6533) or 48 (71M6534) Multifunction DIO Pins

* RTC for TOU Functions with Clock-Rate Adjust Register

* Hardware Watchdog Timer, Power-Fail Monitor

* I²C/MICROWIRE® EEPROM Interface

* High-Speed Slave SPI Interface to Data RAM

* Two UARTs for IR and AMR, IR Driver with Modulation

* Flash Memory with Security and In-System Program Update:

* 128KB (71M6533/H, 71M6534)

* 256KB (71M6533G, 71M6534H)

* 4KB RAM

* Industrial Temperature Range

* 100-Pin (71M6533/G/H) or 120-Pin (71M6534/H) Lead(Pb)-Free LQFP Package

Elecena nie prowadzi sprzedaży elementów elektronicznych, ani w niej nie pośredniczy.

Produkt pochodzi z oferty sklepu