MicroMonitor Chip
Analog Devices
RSS
Sample
- Darmowa próbka
- MPN:
- DS1232
- Producent:
- ANALOG DEVICES
- Dodany do bazy:
- Ostatnio widziany:
- Zmiana ceny:
- -100% (20.01.2025)
- Poprzednia cena:
- 2.49
Sugerowane produkty dla ds1232
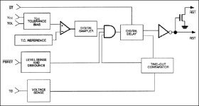
The DS1232 MicroMonitor™ Chip monitors three vital conditions for a microprocessor: power supply, software execution, and external override. First, a precision temperature-compensated reference and comparator circuit monitors the status of VCC. When an out-of-tolerance condition occurs, an internal power fail signal is generated which forces reset to the active state. When VCC returns to an in-tolerance condition, the reset signals are kept in the active state for a minimum of 250ms to allow the power supply and processor to stabilize.
* Halts and restarts an out-of-control microprocessor
* Holds microprocessor in check during power transients
* Automatically restarts microprocessor after power failure
* Monitors pushbutton for external override
* Accurate 5% or 10% microprocessor power supply monitoring
* Eliminates the need for discrete components
* Space-saving, 8-pin mini-DIP
* Optional 16-pin SOIC surface mount package
* Industrial temperature -40°C to +85°C available, designated N
Elecena nie prowadzi sprzedaży elementów elektronicznych, ani w niej nie pośredniczy.
Produkt pochodzi z oferty sklepu Analog Devices