elecena.pl

EPROM Microcontrollers with Real-Time Clock

Analog Devices

EPROM Microcontrollers with Real-Time Clock RSS Sample
  • Darmowa próbka
MPN:
DS83C530
Producent:
ANALOG DEVICES
Dodany do bazy:
Ostatnio widziany:

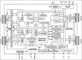
The DS87C530/DS83C530 EPROM/ROM microcontrollers with a real-time clock (RTC) are 8051-compatible microcontrollers based on the Dallas Semiconductor high-speed core. They use 4 clocks per instruction cycle instead of the 12 used by the standard 8051. They also provide a unique mix of peripherals not widely available on other processors. They include an on-chip RTC and battery backup support for an on-chip 1k x 8 SRAM. The new Power Management Mode allows software to select reduced power operation while still processing.

A combination of high-performance microcontroller core, RTC, battery-backed SRAM, and power management makes the DS87C530/DS83C530 ideal for instruments and portable applications. They also provide several peripherals found on other Dallas high-speed microcontrollers. These include two independent serial ports, two data pointers, on-chip power monitor with brownout detection and a watchdog timer.

Power Management Mode (PMM) allows software to select a slower CPU clock. While default operation uses four clocks per machine cycle, the PMM runs the processor at 64 or 1024 clocks per cycle. There is a corresponding drop in power consumption when the processor slows.

The EMI reduction feature allows software to select a reduced emission mode. This disables the ALE signal when it is unneeded.

The DS83C530 is a factory mask ROM version of the DS87C530 designed for high-volume, costsensitive applications. It is identical in all respects to the DS87C530, except that the 16kB of EPROM is replaced by a user-supplied application program. All references to features of the DS87C530 will apply to the DS83C530, with the exception of EPROM-specific features where noted. Please contact your local Dallas Semiconductor sales representative for ordering information.

Note: The DS87C530/DS83C530 are monolithic devices. A user must supply an external battery or super cap and a 32.768kHz timekeeping crystal to have permanently powered timekeeping or nonvolatile RAM. The DS87C530/DS83C530 provide all the support and switching circuitry needed to manage these resources.

* 80C52 Compatible

* 8051 Instruction-Set Compatible

* Four 8-Bit I/O Ports

* Three 16-Bit Timer/Counters

* 256 Bytes Scratchpad RAM

* Large On-Chip Memory

* 16kB EPROM (OTP)

* 1kB Extra On-Chip SRAM for MOVX

* ROMSIZE Features

* Selects Effective On-Chip ROM Size from 0 to 16kB

* Allows Access to Entire External Memory Map

* Dynamically Adjustable by Software

* Useful as Boot Block for External Flash

* Nonvolatile Functions

* On-Chip Real-Time Clock with Alarm Interrupt

* Battery Backup Support of 1kB SRAM

* High-Speed Architecture

* 4 Clocks/Machine Cycle (8051 = 12)

* Runs DC to 33MHz Clock Rates

* Single-Cycle Instruction in 121ns

* Dual Data Pointer

* Optional Variable Length MOVX to Access Fast/Slow RAM /Peripherals

* Power Management Mode

* Programmable Clock Source Saves Power

* Runs from (crystal/64) or (crystal/1024)

* Provides Automatic Hardware and Software Exit

* EMI Reduction Mode Disables ALE

* Two Full-Duplex Hardware Serial Ports

* High Integration Controller Includes:

* Power-Fail Reset

* Early-Warning Power-Fail Interrupt

* Programmable Watchdog Timer

* 14 Total Interrupt Sources with Six External

Elecena nie prowadzi sprzedaży elementów elektronicznych, ani w niej nie pośredniczy.

Produkt pochodzi z oferty sklepu