elecena.pl

Stand-Alone, 4.5-/3.5-Digit Panel Meters with 4–20mA Output

Analog Devices

Stand-Alone, 4.5-/3.5-Digit Panel Meters with 4–20mA Output RSS Sample
  • Darmowa próbka
MPN:
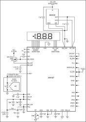
MAX1367
Producent:
ANALOG DEVICES
Dodany do bazy:
Ostatnio widziany:

The MAX1365/MAX1367 low-power, 4.5- and 3.5-digit, panel meters feature an integrated sigma-delta analog-to-digital converter (ADC), LED display drivers, voltage digital-to-analog converter (DAC), and a 4–20mA (or 0 to 16mA) current driver.

The MAX1365/MAX1367's analog input voltage range is programmable to either ±2V or ±200mV. The MAX1367 drives a 3.5-digit (±1999 count) display and the MAX1365 drives a 4.5-digit (±19,999 count) display. The ADC output directly drives the LED display as well as the voltage DAC, which in turn drives the 4–20mA (or 0 to 16mA) current-loop output.

In normal operation, the 0 to 16mA/4–20mA current-loop output follows the ±2V or ±200mV analog input to drive remote panel-meter displays, data loggers, and other industrial controllers. For added flexibility, the MAX1365/MAX1367 allow direct access to the DAC output and the V/I converter input.

The sigma-delta ADC does not require external precision integrating capacitors, autozero capacitors, crystal oscillators, charge pumps, or other circuitry commonly required in dual-slope ADC panel-meter circuits. On-chip analog input and reference buffers allow direct interface with high-impedance signal sources. Excellent common-mode rejection and digital filtering provide greater than 100dB rejection of simultaneous 50Hz and 60Hz line noise. Other features include data hold, peak detection, and overrange/underrange detection.

The MAX1365/MAX1367 require a 2.7V to 5.25V supply, a 4.75V to 5.75V V/I supply, and a 7V to 30V loop supply. They are available in a space-saving (7mm x 7mm), 48-pin TQFP package and operate over the extended (-40°C to +85°C) temperature range.

Applications

* Automated Test Equipment (ATE) * Data Acquisition Systems * Digital Multimeters * Digital Panel Meters * Digital Voltmeters * Industrial Process Control

Elecena nie prowadzi sprzedaży elementów elektronicznych, ani w niej nie pośredniczy.

Produkt pochodzi z oferty sklepu