elecena.pl

Hi-Speed USB-to-SD Card Readers with Bypass

Analog Devices

Hi-Speed USB-to-SD Card Readers with Bypass RSS Sample
  • Darmowa próbka
MPN:
MAX14500
Producent:
ANALOG DEVICES
Dodany do bazy:
Ostatnio widziany:

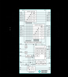
The MAX14500–MAX14503 USB-to-SD™ card readers provide a means for portable devices that support full-speed USB communication (12Mbps) with one or two SD card slots, upgrading the USB SD card reader function to USB Hi-Speed (480Mbps) operation. The MAX14500–MAX14503 have two modes of operation: Pass Thru and Card Reader. In pass thru, the SD and USB signals pass through the MAX14500–MAX14503 without modification, appearing like the device is not present. The host microprocessor firmware does not need modification, as there is no change from the host microprocessor's perspective. In Card Reader mode, the MAX14500–MAX14503 implement a Hi-Speed USB card reader that operates independently of the host microprocessor. All the capabilities of the full-speed USB port and SD card slot are preserved with the additional feature that allows a faster way for a PC to read or write to the SD card. The MAX14500–MAX14503 support SD high capacity SDHC cards. The 40-pin TQFN version supports one SD card, while the 56-bump WLP version supports two SD cards.

The MAX14500–MAX14503 feature advanced power-saving modes to reduce power consumption in portable applications. The low-power Sleep modes allow the ability to disable internal circuit blocks, providing power-saving operating modes. The default clock input for each part number is specified in the ordering information. The MAX14500–MAX14503 feature the option to change the default values using the I²C interface.

The MAX14502 is available in a 5mm × 5mm, 40-pin TQFN package. This device operates over a wide supply voltage range and are specified over the -40°C to +85°C extended temperature range.

Applications

* Cell Phones * Digital Still Cameras * GPS * MP3 Players * PDAs

* USB 2.0 Hi-Speed and Full-Speed Compliant

* SDHC Card Support

* Internal Hi-Speed USB SD Card Reader Eases Host µP Overhead

* On-Chip Termination and Pullup Resistors

* Accommodates Clock Input Frequencies

* 26MHz, 19.2MHz, 13MHz, and 12MHz

* Internal Clock Squarer for Low-Amplitude TCXO Signals

* No Power-Supply Sequencing Required

* Compatible with +1.8V to +3.3V I/O Host Microprocessor

* Simple Control Mode Requires Only a Single GPIO

* I²C Control Provides Multiple Configuration Options

* On-Chip Power-On Reset/Brown-Out Reset

Elecena nie prowadzi sprzedaży elementów elektronicznych, ani w niej nie pośredniczy.

Produkt pochodzi z oferty sklepu