elecena.pl

Dual, 4A/2A, 4MHz, Step-Down DC-DC Regulator with Dual LDO Controllers

Analog Devices

Dual, 4A/2A, 4MHz, Step-Down DC-DC Regulator with Dual LDO Controllers RSS Sample
  • Darmowa próbka
MPN:
MAX15022
Producent:
ANALOG DEVICES
Dodany do bazy:
Ostatnio widziany:
Zmiana ceny:
-100% (21.01.2025)
Poprzednia cena:
4.40

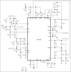
The MAX15022 is a dual-output, pulse-width-modulated (PWM), step-down DC-DC regulator with dual LDO controllers. The device operates from 2.5V to 5.5V and each output can be adjusted from 0.6V to the input supply (VAVIN). The MAX15022 delivers up to 4A (regulator 1) and 2A (regulator 2) of output current with two LDO controllers that can be used to drive two external PNP transistors to provide two additional outputs. This device offers the ability to adjust the switching frequency from 500kHz to 4MHz and provides the capability of optimizing the design in terms of size and performance.

The MAX15022 utilizes a voltage-mode control scheme with external compensation to provide good noise immunity and maximum flexibility in selecting inductor values and capacitor types. The dual switching regulators operate 180° out-of-phase, thereby reducing the RMS input ripple current and thus the size of the input bypass capacitor significantly.

The MAX15022 offers the ability to track (coincident or ratiometric) or sequence during power-up and power-down operation. When sequencing, it powers up glitch-free into a prebiased output.

Additional features include an internal undervoltage lockout with hysteresis and a digital soft-start/soft-stop for glitch-free power-up and power-down. Protection features include lossless cycle-by-cycle current limit, hiccup-mode output short-circuit protection, and thermal shutdown.

The MAX15022 is available in a space-saving, 5mm x 5mm, 28-pin TQFN-EP package and is specified for operation from -40°C to +125°C temperature range.

Applications

* Automotive Multimedia * Multivoltage Supplies * Networking/Telecom * Power-Over-Ethernet (PoE) IP Phones * RFID Reader Cards

* 2.5V to 5.5V Input-Voltage Range

* Dual-Output Synchronous Buck Regulators

* Integrated Switches for 4A and 2A Output Currents

* 180° Out-Of-Phase Operation

* Output Voltage Adjustable from 0.6V to VAVIN

* Two LDO Controllers

* Lossless, Cycle-by-Cycle Current Sensing

* External Compensation for Maximum Flexibility

* Digital Soft-Start and Soft-Stop for Tracking Applications

* Digital Soft-Start into a Prebiased Load for Sequencing Applications

* Sequencing or Coincident/Ratiometric Tracking

* Programmable Switching Frequency from 500kHz to 4MHz

* Thermal Shutdown and Hiccup-Mode Short-Circuit Protection

* 30µA Shutdown Current

* 100% Maximum Duty Cycle

* Space-Saving (5mm x 5mm) 28-Pin TQFN Package

Elecena nie prowadzi sprzedaży elementów elektronicznych, ani w niej nie pośredniczy.

Produkt pochodzi z oferty sklepu