elecena.pl

12-Channel/8-Channel, Flash-Configurable System Monitors with Nonvolatile Fault Registers

Analog Devices

12-Channel/8-Channel, Flash-Configurable System Monitors with Nonvolatile Fault Registers RSS Sample
  • Darmowa próbka
MPN:
MAX16070
Producent:
ANALOG DEVICES
Dodany do bazy:
Ostatnio widziany:

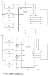
The MAX16070/MAX16071 flash-configurable system monitors supervise multiple system voltages. The MAX16070/MAX16071 can also accurately monitor (±2.5%) one current channel using a dedicated high-side current-sense amplifier. The MAX16070 monitors up to twelve system voltages simultaneously, and the MAX16071 monitors up to eight supply voltages. These devices integrate a selectable differential or single-ended analog-to-digital converter (ADC). Device configuration information, including overvoltage and undervoltage limits and timing settings are stored in nonvolatile flash memory. During a fault condition, fault flags and channel voltages can be automatically stored in the nonvolatile flash memory for later read-back.

The internal 1% accurate 10-bit ADC measures each input and compares the result to one overvoltage, one undervoltage, and one early warning limit that can be configured as either undervoltage or overvoltage. A fault signal asserts when a monitored voltage falls outside the set limits. Up to three independent fault output signals are configurable to assert under various fault conditions.

Because the MAX16070/MAX16071 support a power-supply voltage of up to 14V, they can be powered directly from the 12V intermediate bus in many systems.

The MAX16070/MAX16071 include eight/six programmable general-purpose inputs/outputs (GPIOs). GPIOs are flash configurable as dedicated fault outputs, as a watchdog input or output, or as a manual reset.

The MAX16070/MAX16071 feature nonvolatile fault memory for recording information during system shutdown events. The fault logger records a failure in the internal flash and sets a lock bit protecting the stored fault data from accidental erasure. An SMBus™ or a JTAG serial interface configures the MAX16070/MAX16071. The MAX16070/MAX16071 are available in a 40-pin, 6mm x 6mm, TQFN package. Both devices are fully specified from -40°C to +85°C.

Applications

* Networking Equipment * Servers * Storage/RAID Systems * Telecom Equipment (Base Stations, Access)

* Operate from 2.8V to 14V

* ±2.5% Current-Monitoring Accuracy

* 1% Accurate 10-Bit ADC Monitors 12/8 Voltage Inputs

* Single-Ended or Differential ADC for System Voltage/Current Monitoring

* Integrated High-Side, Current-Sense Amplifier

* 12/8 Monitored Inputs with Overvoltage/Undervoltage/Early Warning Limit

* Nonvolatile Fault Event Logger

* Two Programmable Fault Outputs and One Reset Output

* Eight General-Purpose Inputs/Outputs Configurable as:

* Dedicated Fault Outputs

* Watchdog Timer Function

* Manual Reset

* Margin Enable

* SMBus (with Timeout) or JTAG Interface

* Flash Configurable Time Delays and Thresholds

* -40°C to +85°C Operating Temperature Range

Elecena nie prowadzi sprzedaży elementów elektronicznych, ani w niej nie pośredniczy.

Produkt pochodzi z oferty sklepu