elecena.pl

Chemistry-Independent Battery Chargers

Analog Devices

Chemistry-Independent Battery Chargers RSS Sample
  • Darmowa próbka
MPN:
MAX1647
Producent:
ANALOG DEVICES
Dodany do bazy:
Ostatnio widziany:
Zmiana ceny:
-100% (19.01.2025)
Poprzednia cena:
7.66

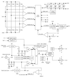
The MAX1647/MAX1648 provide the power control necessary to charge batteries of any chemistry. In the MAX1647, all charging functions are controlled through the Intel® System Management Bus (SMBus™) interface. The SMBus 2-wire serial interface sets the charge voltage and current, and provides thermal status information. The MAX1647 functions as a level 2 charger, compliant with the Duracell®/Intel Smart Battery Charger Specification. The MAX1648 omits the SMBus serial interface, and instead sets the charge voltage and current proportional to the voltage applied to external control pins.

In addition to the feature set required for a level 2 charger, the MAX1647 generates interrupts to signal the host when power is applied to the charger or a battery is installed or removed. Additional status bits allow the host to check whether the charger has enough input voltage, and whether the voltage on or current into the battery is being regulated. This allows the host to determine when lithium-ion batteries have completed charge without interrogating the battery.

The MAX1647 is available in a 20-pin SSOP with a 2mm profile height. The MAX1648 is available in a 16-pin SO package.

Applications

* Charger Base Stations * Notebook Computers * PDAs and Other Handheld Devices * Phones

* Charges Any Battery Chemistry: Li-Ion, NiCd, NiMH, Lead Acid, etc.

* Intel SMBus 2-Wire Serial Interface (MAX1647)

* Intel/Duracell Level 2 Smart Battery Compliant (MAX1647)

* 4A, 2A, or 1A Maximum Battery-Charge Current

* 11-Bit Control of Charge Current

* Up to 18V Battery Voltage

* 10-Bit Control of Voltage

* ±0.75% Voltage Accuracy with External ±0.1% Reference

* Up to 28V Input Voltage

* Battery Thermistor Fail-Safe Protection

Elecena nie prowadzi sprzedaży elementów elektronicznych, ani w niej nie pośredniczy.

Produkt pochodzi z oferty sklepu