elecena.pl

Automotive Dual Remote Antenna Current-Sense LDO/Switch

Analog Devices

Automotive Dual Remote Antenna Current-Sense LDO/Switch RSS Sample
  • Darmowa próbka
MPN:
MAX16948
Producent:
ANALOG DEVICES
Dodany do bazy:
Ostatnio widziany:
Zmiana ceny:
-100% (19.01.2025)
Poprzednia cena:
4.43

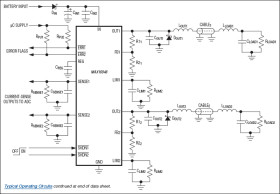
The MAX16948 is a dual high-voltage, current-sensing low dropout linear regulator (LDO)/switch designed to operate with an input voltage range from 4.5V to 28V (45V load dump tolerant). The device provides phantom power over coax cable to remote radio frequency low-noise amplifiers (LNAs) in automotive systems with a maximum current of 300mA per channel. The device also provides a fixed regulated output voltage of 8.5V or an adjustable 1V to 12.5V output voltage. The device can also be configured as a switch.

The device monitors the load current and provides an analog output current proportional to the sensed load current. Accurate internal current limits protect the input supply against both overcurrent and short-circuit conditions. The device features an open-drain error output for each channel to indicate to the microcontroller (µC) when a fault has occurred.

The device features short-to-battery protection to latch off the internal LDO/switch during a short-to-battery event. During a thermal overload, the device reduces power dissipation by going into thermal shutdown. It includes two independent active-low, high-voltage-compatible shutdown inputs to place each channel in a low-power shutdown mode.

The device is available in a 16-pin TQFN package with exposed pad, a 16-pin QSOP package with exposed pad, or a 16-pin QSOP package and is fully specified over the -40°C to +105°C temperature range.Applications

* Automotive Camera and Sensor Power * Remote LNA Phantom Power

* 2-Channel LDO/Switch with Precision-Adjustable Current-Sense (Up to 300mA Per Channel)

* Wide Input Voltage Range: 4.5V to 28V (45V Load Dump Tolerant)

* On/Off Switching or Regulation of Phantom Power Under µC Control

* Reverse Current Protection

* Output Short-to-Battery Protection

* Load Current Monitoring to Detect Open-Load/Normal/Short-Circuit Conditions

* Open-Drain Error Status Signaling to µC

* Input Overvoltage Shutdown

* High Power-Supply Rejection Ratio (73dB)

Elecena nie prowadzi sprzedaży elementów elektronicznych, ani w niej nie pośredniczy.

Produkt pochodzi z oferty sklepu