elecena.pl

1.2MHz Low-Cost, High-Performance Chargers

Analog Devices

1.2MHz Low-Cost, High-Performance Chargers RSS Sample
  • Darmowa próbka
MPN:
MAX17015A
Producent:
ANALOG DEVICES
Dodany do bazy:
Ostatnio widziany:

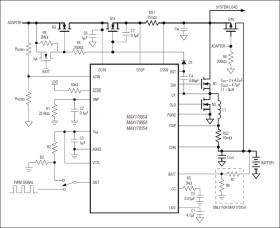
The MAX17005A/MAX17006A/MAX17015A are high-frequency multichemistry battery chargers. These circuits feature a new high-frequency current-mode architecture that significantly reduces component size and cost. The charger uses a high-side MOSFET with n-channel synchronous rectifier. Widely adjustable charge current, charge voltage, and input current limit simplify the construction of highly accurate and efficient chargers.

The charge voltage and charge current are set with analog control inputs. The charge current setting can also be adjusted with a PWM input. High-accuracy current-sense amplifiers provide fast cycle-by-cycle current-mode control to protect against short circuits to the battery and respond quickly to system load transients. In addition, the charger provides a high-accuracy analog output that is proportional to the adapter current. In the MAX17015A, this current monitor remains active when the adapter is absent to monitor battery discharge current.

The MAX17005A charges three or four Li+ series cells, and the MAX17006A charges two or three Li+ series cells. The MAX17015A adjusts the charge voltage setting and the number of cells through a feedback resistor-divider from the output. All variants of the charger can provide at least 4A of charge current with a 10mΩ sense resistor.

The charger utilizes a charge pump to control an n-channel adapter selection switch. The charge pump remains active even when the charger is off. When the adapter is absent, a p-channel MOSFET selects the battery.

The MAX17005A/MAX17006A/MAX17015A are available in a small, 4mm x 4mm x 0.8mm 20-pin, lead-free TQFN package. An evaluation kit is available to reduce design time.

Applications

* Notebook Computers * Portable Equipment with Rechargeable Batteries * Tablet PCs

* High Switching Frequency (1.2MHz)

* Controlled Inductor Current-Ripple Architecture

* Reduced BOM Cost

* Small Inductor and Output Capacitors

* ±0.4% Accurate Charge Voltage

* ±2.5% Accurate Input-Current Limiting

* ±3% Accurate Charge Current

* Single-Point Compensation

* Monitor Outputs for

* ±2.5% Accurate Input Current Limit

* ±2.5% Battery Discharge Current (MAX17015A Only)

* AC Adapter Detection

* Analog/PWM Adjustable Charge-Current Setting

* Battery Voltage Adjustable for 3 and 4 Cells (MAX17005A) or 2 and 3 Cells (MAX17006A)

* Adjustable Battery Voltage (4.2V to 4.4V/Cell)

* Cycle-by-Cycle Current Limit

* Battery Short-Circuit Protection

* Fast Response for Pulse Charging

* Fast System-Load-Transient Response

* Programmable Charge Current < 5A

* Automatic System Power Source Selection with n-Channel MOSFET

* Internal Boost Diode

* +8V to +26V Input-Voltage Range

Elecena nie prowadzi sprzedaży elementów elektronicznych, ani w niej nie pośredniczy.

Produkt pochodzi z oferty sklepu