elecena.pl

Dual Quick-PWM, Step-Down Controller with Low-Power LDO and RTC Regulator for MAIN Supplies

Analog Devices

Dual Quick-PWM, Step-Down Controller with Low-Power LDO and RTC Regulator for MAIN Supplies RSS Sample
  • Darmowa próbka
MPN:
MAX17031
Producent:
ANALOG DEVICES
Dodany do bazy:
Ostatnio widziany:
Zmiana ceny:
-100% (22.01.2025)
Poprzednia cena:
5.13

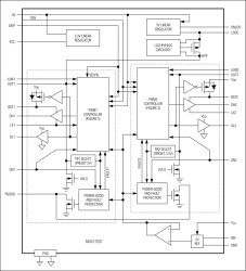
The MAX17031 is a dual Quick-PWM™ step-down power-supply (SMPS) controller with synchronous rectification, intended for main 5V/3.3V power generation in battery-powered systems. Low-side MOSFET sensing provides a simple low-cost, highly efficient current sense for valley current-limit protection. Combined with the output overvoltage and undervoltage protection features, this current limit ensures robust output supplies.

The 5V/3.3V SMPS outputs can save power by operating in pulse-skipping mode or in ultrasonic mode to avoid audible noise. Ultrasonic mode forces the controller to maintain switching frequencies greater than 20kHz at light loads. The SKIP input also has an accurate logic threshold, allowing it to be used as a secondary feedback input to refresh an external charge pump or secondary winding without overcharging the output voltages.

An internal 100mA linear regulator generates the 5V bias needed for power-up or other low-power "always-on" suspend supplies. An internal bypass circuitry allows automatic bypassing of the linear regulator when the 5V SMPS is active.

The device includes independent shutdown controls with well-defined logic thresholds to simplify power-up and power-down sequencing. To prevent current surges at startup, the internal voltage target is slowly ramped up from zero to the final target over a 1ms period. To prevent the output from ringing below ground in shutdown, the internal voltage target is ramped down from its previous value to zero over a 1ms period. A combined power-good (PGOOD) output simplifies the interface with external controllers. The MAX17031 is available in a 24-pin thin QFN (4mm x 4mm) package.

Applications

* 2 to 4 Li+ Cells Battery-Powered Devices * Main System Supply (5V and 3.3V Supplies) * Notebook Computers * Telecommunication * Ultra-Mobile PC

* Dual Quick-PWM

* Preset 5V and 3.3V Outputs

* Internal 100mA, 5V Linear Regulator

* Internal OUT1 LDO5 Bypass Switch

* Secondary Feedback (SKIP Input) Maintains Charge Pump

* 3.3V, 5mA Real-Time Clock (RTC) Power (Always On)

* 2V ±1% 50µA Reference

* 6V to 24V Input Range

* Pulse-Skipping/Forced-PWM/Ultrasonic Mode Control

* Independent SMPS and LDO5 Enable Controls

* Combined SMPS PGOOD Outputs

* Minimal Component Count

Elecena nie prowadzi sprzedaży elementów elektronicznych, ani w niej nie pośredniczy.

Produkt pochodzi z oferty sklepu