elecena.pl

Integrated Charger, Dual Main Step-Down Controllers, and Dual LDO Regulators

Analog Devices

Integrated Charger, Dual Main Step-Down Controllers, and Dual LDO Regulators RSS Sample
  • Darmowa próbka
MPN:
MAX17085B
Producent:
ANALOG DEVICES
Dodany do bazy:
Ostatnio widziany:
Zmiana ceny:
-100% (19.01.2025)
Poprzednia cena:
6.10

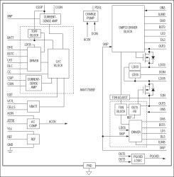
The MAX17085B is an all-in-one notebook power solution integrating a multichemistry battery charger, dual fixed output Quick-PWM™ step-down controllers, and dual keep-alive linear regulators:

* Charger: The high-frequency (~1.4MHz) multichemistry battery charger uses a current-mode, fixed inductor current ripple architecture that significantly reduces component size and cost. Low-offset sense amplifiers allow the use of low-value sense resistors for charging and input current limit.

The charger uses n-channel switching MOSFETs. Adjustable charge current, charge voltage, and cell selection allow for flexible use with different battery packs. Charge current is set by an analog control input, or a PWM input. High-accuracy current-sense amplifiers provide fast cycle-by-cycle current-mode control to protect against short circuits to the battery and respond quickly to system load transients. Additionally, the charger provides a high-accuracy analog output that is proportional to the adapter current.

An integrated charge pump controls an n-channel adapter selector switch. The charge pump remains active even when the charger is off. When the adapter is absent, a p-channel MOSFET selects the battery.

* Main SMPS: The dual Quick-PWM step-down controllers with synchronous rectification generate the 5V and 3.3V main power in a notebook. Low-side MOSFET sensing provides a simple low-cost, highly efficient valley current-limit protection. The MAX17085B also includes output undervoltage, output overvoltage, and thermal-fault protection.

Separate enable inputs for each SMPS and a combined open-drain power-good output allow flexible power sequencing. Voltage soft-start reduces inrush current, while passive shutdown discharges the output through an internal switch. Fast transient response, with an extended on-time feature reduces output capacitance requirements. Selectable pulse-skipping mode and ultrasonic mode improve light-load efficiency. Ultrasonic mode operation maintains a minimum switching frequency at light loads, minimizing audible noise effects.

* Dual LDO Regulators: An internal 5V/100mA LDO5 with switchover can be used to either generate the 5V bias needed for power-up or other lower power "always-on" suspend supplies. Another 3.3V/50mA LDO3 provides "always-on" power to a system microcontroller.

Applications

* 2-to-4, Li+-Cell, Battery-Powered Devices * 5V and 3.3V Supplies * Notebook Computers * PDAs and Mobile Communicators

* All-in-One Charger Plus Dual Main Step-Down Controllers

* 5V/100mA and 3.3V/50mA LDO Regulators

* Main

* Dual Quick-PWM with Fast Transient Response and Extended On-Time

* 300kHz to 800kHz Switching Frequency

* Fixed 5V and 3.3V SMPS Outputs

* Low-Noise Ultrasonic Mode

* Autoretry Fault Protection

* Charger

* High Switching Frequency (1.4MHz)

* Selectable 2-, 3-, and 4-Cell Battery Voltage

* Automatic Selection of System Power Source

* Internal Charge-Pump for Adapter n-channel MOSFETs Drive

* ±0.4% Accurate Charge Voltage

* ±2.5% Accurate Input Current Limiting

* ±3% Accurate Charge Current

* Monitor Outputs for

* AC Adapter Current (±2% Accuracy)

* Battery Discharge Current (±2% Accuracy)

* AC Adapter OK

* Analog/PWM (100Hz to 500kHz) Adjustable Charge Current Setting

* AC Adapter Overvoltage and Overcurrent Protection

Elecena nie prowadzi sprzedaży elementów elektronicznych, ani w niej nie pośredniczy.

Produkt pochodzi z oferty sklepu