elecena.pl

Step-Up Regulator and High-Voltage Step-Up with Temperature Compensation

Analog Devices

Step-Up Regulator and High-Voltage Step-Up with Temperature Compensation RSS Sample
  • Darmowa próbka
MPN:
MAX17106
Producent:
ANALOG DEVICES
Dodany do bazy:
Ostatnio widziany:

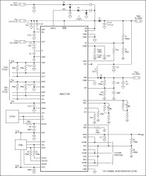
The MAX17106 is optimized for thin-film transistor (TFT) liquid-crystal display (LCD) applications. The device includes a high-performance 18V step-up regulator with integrated switch for the source-driver supply, a 38V step-up regulator with temperature compensation for the TFT gate-on supply (VON), a 300mA low-dropout 2.5V internal linear regulator for the logic supply, three high-speed operational amplifiers, a digitally adjustable VCOM calibration device with nonvolatile memory, two electrically erasable programmable read-only memory (EEPROM) blocks (2Kb extended display identification data (EDID) memory and 16Kb timing controller memory) with separate I²C interfaces, and a high-voltage level-shifting scan driver.

The main DC-DC step-up converter provides the regulated supply voltage for the panel source driver ICs. The converter is a 1.2MHz current-mode regulator with an integrated 20V n-channel power MOSFET. The high switching frequency allows the use of ultra-small inductors and ceramic capacitors. The current-mode control architecture provides fast transient response to pulsed loads. The step-up regulator features digital soft-start and cycle-by-cycle current limit.

The VON step-up regulator is a simple minimum off-time, pulse-skipping architecture with a variable peak-current threshold. The output voltage is adjusted according to the voltage on the NTC pins (temperature reading) and two voltage levels set by current sources on the VHI and VLO pins. See the VON Positive Gate-Driver Step-Up Regulator section in the full data sheet for more information.

The MAX17106 is available in a 7mm x 7mm, 56-pin, lead-free TQFN package with exposed pad and operates over the -40°C to +85°C temperature range.

Applications

* TFT LCD Notebook Panels

* 2.4V to 3.6V VDDS Input Voltage Range

* 0.2mA VDDS Quiescent Current

* 5mA VIN Quiescent Current (Switching)

* 3mA AVDD Quiescent Current (for Op Amps)

* 1.2MHz Current-Mode Step-Up Regulator

* VON Temperature-Compensated Step-Up Regulator

* Internal 300mA Low-Dropout (LDO) Linear Regulator

* Rail-to-Rail High-Speed Operational Amplifier

* High-Voltage Drivers with Scan Logic

* Programmable VCOM Calibrator

* 2Kb EEPROM EDID Memory

* 16Kb EEPROM Timing Controller Memory

* Thermal-Overload Protection

* 56-Pin, 7mm x 7mm Thin QFN Package

Elecena nie prowadzi sprzedaży elementów elektronicznych, ani w niej nie pośredniczy.

Produkt pochodzi z oferty sklepu