Dual-Phase, Quick-PWM Controller for IMVP-6.5 CPU Core Power Supplies
Analog Devices
RSS
Sample
- Darmowa próbka
- MPN:
- MAX17582
- Producent:
- ANALOG DEVICES
- Dodany do bazy:
- Ostatnio widziany:
Sugerowane produkty dla max17582
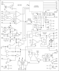
The MAX17582 is a 2-/1-phase-interleaved Quick-PWM™ step-down VID power-supply controller for notebook CPUs. True out-of-phase operation reduces input-ripple-current requirements and output-voltage ripple, while easing component selection and layout difficulties. The Quick-PWM control provides instantaneous response to fast load-current steps. Active voltage positioning reduces power dissipation and bulk output capacitance requirements and allows ideal positioning compensation for tantalum, polymer, or ceramic bulk output capacitors.
A slew-rate controller allows controlled transitions among VID codes, controlled soft-start and shutdown, and controlled exit from suspend. A thermistor-based temperature sensor provides a programmable thermal-fault output (active-low VRHOT). A current-monitor output (IMON) provides an analog current output proportional to the power consumed by the CPU. The MAX17582 includes output undervoltage and thermal protection. When any of these protection features detect a fault, the controller shuts down. A voltage-regulator power-OK (PWRGD) output indicates the output is in regulation. Additionally, the MAX17582 features true differential current sense and a phase-good (PHASEGD) output that indicates a phase imbalance fault condition.
The MAX17582 implements the Intel IMVP-6.5 VID code set. The MAX17582 is available in a 6mm x 6mm, 48-pin TQFN package.
Applications
* Blade Servers * IMVP-6.5 Core Power Supply * Multiphase CPU Power Supply * Notebooks/Desktop Computers * Voltage-Positioned Step-Down Converters
* Single-/Dual-Phase, Quick-PWM Controller
* ±8mV VOUT Accuracy Over Line, Load, and Temperature
* 7-Bit 0 to 1.50V VID Control
* Dynamic Phase Selection Optimizes Active/Sleep Efficiency
* Transient Phase Overlap Reduces Output Capacitance
* Integrated Boost Switches
* Active Voltage Positioning with Adjustable Gain
* Programmable 200kHz to 800kHz Switching Frequency
* Accurate Current Balance and Current Limit
* Adjustable Slew-Rate Control
* Power-Good, Clock Enable, and Thermal-Fault Outputs
* Phase Current Imbalance Fault Output
* Drives Large Synchronous Rectifier MOSFETs
* 4V to 26V Battery Input-Voltage Range
* Undervoltage and Thermal-Fault Protection
* IMVP-6.5 Power Sequencing and Timing Compliant
* Soft-Startup and Soft-Shutdown
Elecena nie prowadzi sprzedaży elementów elektronicznych, ani w niej nie pośredniczy.
Produkt pochodzi z oferty sklepu Analog Devices