Power Line Communication with ModelGauge Fuel Gauge and Charger
Analog Devices
RSS
Sample
- Darmowa próbka
- MPN:
- MAX20357
- Producent:
- ANALOG DEVICES
- Dodany do bazy:
- Ostatnio widziany:
Sugerowane produkty dla of100
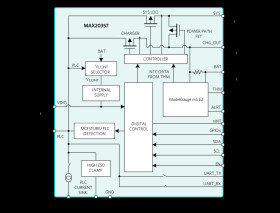
The MAX20357 is a Power Line Communication (PLC) slave with ModelGauge m5 EZ fuel gauge and charger. The MAX20357 and MAX20355 provide a complete system solution for charging and data transfer between a charging case and battery powered device over a single contact.
The PLC interface is capable of 100kpbs throughput while simultaneously providing 200mA of charging/system current per channel. A 4Mbaud halfduplex data only UART mode provides an easy and fast method for firmware updates, debugging interface, and factory modes.
The charger on slave device MAX20357 controls the output of the 3.3W buck-boost converter in the MAX20355 with dynamic voltage scaling (DVS).
The MAX20357 integrates an ultra-low power fuelgauge which implements the Maxim ModelGauge™ m5 algorithm. The IC monitors a single-cell battery pack and supports internal current sensing.
Additional features include comprehensive master device insertion and removal notifications, moisture detection, overcurrent protection, and 8kV contact rated ESD protection on the PLC output.
APPLICATIONS
* True Wireless Stereo Headphones
* Augmented Reality Glasses
* Wearable Devices
* Power Line Communication (PLC) Interface
* 100kpbs System Throughput
* 167.7kpbs Bit Rate
* 200mA Dual-Slave and 400mA Mono-Slave Output Charging Current
* Automatic Earbud Insertion/Removal Detection
* 4Mbaud, Half-Duplex, Data Only UART Mode
* PLC Controllable GPIOs, Reset and Shipping Mode
* High-Efficiency Autonomous Charging System
* 90% End-to-End Charging Efficiency from Master to Slave Battery
* 400mA Integrated Linear Charger
* Optimized Charging Efficiency by Automatic DVS Negotiation between Master and Slave
Elecena nie prowadzi sprzedaży elementów elektronicznych, ani w niej nie pośredniczy.
Produkt pochodzi z oferty sklepu Analog Devices