elecena.pl

50MHz to 1000MHz High-Linearity, Serial/Parallel-Controlled Digital VGA

Analog Devices

50MHz to 1000MHz High-Linearity, Serial/Parallel-Controlled Digital VGA RSS Sample
  • Darmowa próbka
MPN:
MAX2066
Producent:
ANALOG DEVICES
Dodany do bazy:
Ostatnio widziany:
Zmiana ceny:
-100% (19.01.2025)
Poprzednia cena:
8.70

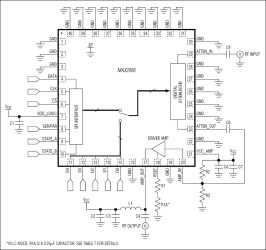
The MAX2066 high-linearity digital variable-gain amplifier (VGA) is a monolithic SiGe BiCMOS attenuator and amplifier designed to interface with 50Ω systems operating in the 50MHz to 1000MHz frequency range (See the Typical Application Circuit in the full data sheet). The digital attenuator is controlled as a slave peripheral using either the SPI™-compatible interface or a parallel bus with 31dB total adjustment range in 1dB steps. An added feature allows "rapid-fire" gain selection between each of four steps, preprogrammed by the user through the SPI-compatible interface. The 2-pin control allows the user to quickly access any one of four customized attenuation states without reprogramming the SPI bus.

Because each stage has its own RF input and RF output, this component can be configured to either optimize NF (amplifier configured first), or OIP3 (amplifier last). The device's performance features include 22dB amplifier gain (amplifier only), 5.2dB NF at maximum gain (includes attenuator insertion loss), and a high OIP3 level of +42.4dBm. Each of these features makes the MAX2066 an ideal VGA for numerous receiver and transmitter applications.

In addition, the MAX2066 operates from a single +5V supply with full performance, or a single +3.3V supply with slightly reduced performance, and has an adjustable bias to trade current consumption for linearity performance. This device is available in a compact 40-pin thin QFN package (6mm x 6mm) with an exposed pad. Electrical performance is guaranteed over the extended temperature range (TC = -40°C to +85°C).

Applications

* Cable Modem Termination Systems (CMTS) * Cellular Band WCDMA and cdma2000® Base Stations * Fixed Broadband Wireless Access * GSM 850/GSM 900 EDGE Base Stations * IF and RF Gain Stages * Military Systems * RFID Handheld and Portal Readers * Video-on-Demand (VOD) and DOCSIS&reg-Compliant EDGE QAM Modulation * WiMAX and LTE Base Stations and Customer Premise Equipment * Wireless Local Loop

* 50MHz to 1000MHz RF Frequency Range

* Pin-Compatible Family Includes

* MAX2065 (Analog/Digital VGA)

* MAX2067 (Analog VGA)

* 20.5dB (typ) Maximum Gain

* 0.4dB Gain Flatness Over 100MHz Bandwidth

* 31dB Gain Range

* Supports Four "Rapid-Fire" Preprogrammed Attenuator States

* Quickly Access Any One of Four Customized Attenuation States Without Reprogramming the SPI Bus

* Ideal for Fast-Attack, High-Level Blocker Protection

* Prevents ADC Overdrive Condition

* Excellent Linearity (Configured with Amplifier Last)

* +42.4dBm OIP3

* +65dBm OIP2

* +19dBm Output 1dB Compression Point

* -68dBc HD2

* -88dBc HD3

* 5.2dB Typical Noise Figure (NF)

* Fast, 25ns Digital Switching

* Very Low Digital VGA Amplitude Overshoot/Undershoot

* Single +5V Supply (Optional +3.3V Operation)

* External Current-Setting Resistors Provide Option for Operating Device in Reduced-Power/Reduced-Performance Mode

Elecena nie prowadzi sprzedaży elementów elektronicznych, ani w niej nie pośredniczy.

Produkt pochodzi z oferty sklepu