elecena.pl

Octal Industrial Digital Input with Diagnostics and Digital Isolation

Analog Devices

Octal Industrial Digital Input with Diagnostics and Digital Isolation RSS Sample
  • Darmowa próbka
MPN:
MAX22192
Producent:
ANALOG DEVICES
Dodany do bazy:
Ostatnio widziany:
Zmiana ceny:
-100% (28.06.2024)
Poprzednia cena:
6.84

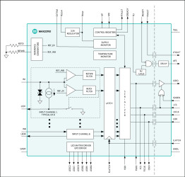
The MAX22192 is an IEC 61131-2 compliant industrial digital input device with integrated digital isolation. The MAX22192 translates eight, 24V current-sinking, industrial inputs to an isolated serialized SPI-compatible output that interfaces with 1.71V to 5.5V logic voltage. A current-setting resistor allows the MAX22192 to be configured for Type 1, Type 2, or Type 3 inputs. For proximity switches, the field-wiring is verified using the wire break feature. When wire break is enabled, the active-low LFAULT output is asserted and a register flag set if the input current drops below the wire break threshold for more than 20ms. Additional diagnostics that assert active-low LFAULT include: overtemperature protection, low 24V field supply, 24V field supply missing, and CRC communication error.

For robust operation in industrial environments, each input includes a programmable glitch filter. The filter delay on each channel can be independently programmed to one of eight values between 50µs and 20ms, or filter bypass.

The MAX22192 has an isolated 4-pin SPI interface, and in addition uses isolated active-low LLATCH input for synchronizing input data across multiple devices in parallel, and isolated active-low LFAULT output for instantly alerting the host of any diagnostic issues. The digital signals with a name starting with L are logic-side signals, and the digital signals with a name starting with F are field-side signals.

The MAX22192 field-side accepts a single 7V to 65V supply to the VDD24F pin. When powered by the field supply, the MAX22192 generates a 3.3V output on the VDD3F pin from an integrated LDO regulator, which can provide up to 25mA of current for external loads in addition to powering the MAX22192. Alternatively, the MAX22192 can be powered from a 3.0V to 5.5V supply connected to the VDD3F pin. The logic-side of the MAX22192 is powered from a single 1.71V to 5.5V supply to the VDDL pin to interface with 1.8V, 3.3V, or 5V logic levels.

The MAX22192 has an isolation rating of 600VRMS for 60 seconds and is available in a 70-pin GQFN package with 2.3mm clearance and creepage. The package material has a minimum comparative tracking index (CTI) of 600V, which gives it a group I rating in creepage tables.

Applications

* Industrial Automation * Process Automation * Programmable Logic Controllers

* High Integration Reduces BOM Count and Board Space

* Eight Input Channels with Serializer* Integrated Isolation of 600VRMS for 60s (VISO)* Operates Directly from Field Supply (7V to 65V)* Compatible with 1.8V, 3.3V or 5V Logic* 6mm x 10mm GQFN Package

Elecena nie prowadzi sprzedaży elementów elektronicznych, ani w niej nie pośredniczy.

Produkt pochodzi z oferty sklepu