elecena.pl

±15kV ESD-Protected, +5V, 1µA, Single RS-232 Transceiver with AutoShutdown

Analog Devices

±15kV ESD-Protected, +5V, 1µA, Single RS-232 Transceiver with AutoShutdown RSS Sample
  • Darmowa próbka
MPN:
MAX221E
Producent:
ANALOG DEVICES
Dodany do bazy:
Ostatnio widziany:
Zmiana ceny:
-100% (21.01.2025)
Poprzednia cena:
2.43

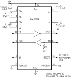
The MAX221E is a +5V powered, single transmit/receive RS-232 and V.28 communications interface with automatic shutdown/wake-up features and high data rate capabilities.

The MAX221E features enhanced electrostatic discharge (ESD) protection. Both the transmitter output and receiver input are protected to ±15kV using the IEC 1000-4-2 Air-Gap Discharge Method, to ±8kV using the IEC 1000-4-2 Contact Discharge Method, and to ±15kV using the Human Body Model.

The MAX221E achieves a low 1µA supply current with Maxim's revolutionary AutoShutdown™ feature. AutoShutdown saves power without changes to the existing BIOS or operating system by entering low-power shutdown mode when the RS-232 cable is disconnected or when the transmitter of the connected peripheral is off. The MAX221E wakes up and drives the active-low INVALID pin high when an active RS-232 cable is connected, signaling the host that a peripheral is connected to the communications port.

The MAX221E is available in a 16-pin SSOP package as well as a 16-pin TSSOP that uses 50% less board space than a 16-pin SO.

Applications

* Industrial Systems * Maintenance/Diagnostic Ports * Set-Top Boxes * Telecommunications

* Single RS-232 Transceiver in a Small 16-Pin TSSOP

* ESD Protection for RS-232 I/O Pins

* ±15kV-Human Body Model

* ±8kV-IEC 1000-4-2, Contact Discharge

* ±15kV-IEC 1000-4-2, Air-Gap Discharge

* Latchup Free

* 1µA Supply Current

* AutoShutdown Saves Power without Changes to BIOS

* Guaranteed 250kbps Data Rate

Elecena nie prowadzi sprzedaży elementów elektronicznych, ani w niej nie pośredniczy.

Produkt pochodzi z oferty sklepu