elecena.pl

622Mbps, Low-Power, 3.3V Clock-Recovery and Data-Retiming IC with Limiting Amplifier

Analog Devices

622Mbps, Low-Power, 3.3V Clock-Recovery and Data-Retiming IC with Limiting Amplifier RSS Sample
  • Darmowa próbka
MPN:
MAX3675
Producent:
ANALOG DEVICES
Dodany do bazy:
Ostatnio widziany:

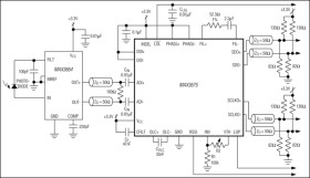
The MAX3675 is a complete clock-recovery and data-retiming IC incorporating a limiting amplifier. It is intended for 622Mbps SDH/SONET applications and operates from a single +3.3V supply.

The MAX3675 has two differential input amplifiers: one accepts PECL levels, while the other accepts small-signal analog levels. The analog inputs access the limiting amplifier stage, which provides both a received-signal-strength indicator (RSSI) and a programmable-threshold loss-of-power (LOP) monitor. Selecting the PECL amplifier disables the limiting amplifier, conserving power. A loss-of-lock (LOL) monitor is also incorporated as part of the fully integrated PLL.

Applications

* Add/Drop Multiplexers * ATM Switches * Digital Cross-Connects * SDH/SONET Access Nodes * SDH/SONET Transmission Systems

* Single +3.3V or +5.0V Power Supply

* Complies with ANSI, ITU, and Bellcore SDH/SONET Specifications

* Low Power: 215mW at +3.3V

* Selectable Data Inputs, Differential PECL or Analog

* Received-Signal-Strength Indicator (RSSI)

* Loss-of-Power and Loss-of-Lock Monitors

* Differential PECL Clock and Data Outputs

* No External Reference Clock Required

Elecena nie prowadzi sprzedaży elementów elektronicznych, ani w niej nie pośredniczy.

Produkt pochodzi z oferty sklepu