elecena.pl

RGB Color, Infrared, and Temperature Sensors

Analog Devices

RGB Color, Infrared, and Temperature Sensors RSS Sample
  • Darmowa próbka
MPN:
MAX44006
Producent:
ANALOG DEVICES
Dodany do bazy:
Ostatnio widziany:

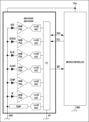
The MAX44006/MAX44008 integrate six sensors in two products: red, green, blue (RGB) sensors; an ambient light (clear) sensor; a temperature sensor; and an ambient infrared sensor with an I²C interface. These highly integrated optical sensors include a temperature sensor to improve reliability and performance.

The devices compute the light information with six parallel data converters allowing simultaneous light measurement in a very short time. The devices consume only 15µA (MAX44006) and 16µA (MAX44008) separately in RGBC + TEMP + IR mode, and also have the ability to operate at 1.7V to 2.0V (MAX44006) and 2.7V to 5.5V supply voltage (MAX44008).

The devices' RGB sensing capability improves the performance of end products by providing robust and precise information for ambient color-sensing and color-temperature measurement.

The devices' superior infrared and 50Hz/60Hz rejection provide robust readings. The wide dynamic range light measurement makes these products perfect candidates for many color measurement applications.

The on-chip ambient sensor has the ability to make wide dynamic range (0.002~8388.61µW/cm²) lux measurements. The devices' digital computation power provides programmability and flexibility for end-product design. A programmable interrupt pin minimizes the need to poll the devices for data, freeing up microcontroller resources, reducing system software overhead, and ultimately reducing power consumption. All these features are included in a tiny 2mm x 2mm x 0.6mm optical package.

Applications

* Color Correction * Digital Light Management * Industrial Sensors * LED and Laser Projectors * Printers * Tablet PCs/Notebooks/E-Readers * Tablets * TVs/Display Systems

* Optical Sensor Fusion for True Color Sensing

* Seven Parallel ADCs

* R, G, B, IR, ALS Sensing

* Superior Sensitivity

* 0.001 Lux

* Optimized for Overall System Power Consumption

* 10µA (MAX44006)/10µA (MAX44008) in Ambient Mode

* 15µA (MAX44006)/16µA (MAX44008) in RGBC + IR Mode

* 0.01µA (MAX44006)/0.5µA (MAX44008) in Shutdown Mode

* Digital Functionalities

* Programmable Channel Gains

* Adjustable Interrupt Thresholds

* High-Level Integration

* Six Sensors in a 2mm x 2mm x 0.6mm Package

Elecena nie prowadzi sprzedaży elementów elektronicznych, ani w niej nie pośredniczy.

Produkt pochodzi z oferty sklepu