elecena.pl

Dual-Phase, Parallelable, Average-Current-Mode Controllers

Analog Devices

Dual-Phase, Parallelable, Average-Current-Mode Controllers RSS Sample
  • Darmowa próbka
MPN:
MAX5041A
Producent:
ANALOG DEVICES
Dodany do bazy:
Ostatnio widziany:

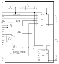
The MAX5038A/MAX5041A dual-phase, PWM controllers provide high-output-current capability in a compact package with a minimum number of external components. The MAX5038A/MAX5041A utilize a dual-phase, average-current-mode control that enables optimal use of low RDS(ON) MOSFETs, eliminating the need for external heatsinks even when delivering high output currents.

Differential sensing enables accurate control of the output voltage, while adaptive voltage positioning provides optimum transient response. An internal regulator enables operation with input voltage ranges of +4.75V to +5.5V or +8V to +28V. The high switching frequency, up to 500kHz per phase, and dual-phase operation allow the use of low-output inductor values and input capacitor values. This accommodates the use of PC board-embedded planar magnetics achieving superior reliability, current sharing, thermal management, compact size, and low system cost.

The MAX5038A/MAX5041A also feature a clock input (CLKIN) for synchronization to an external clock, and a clock output (CLKOUT) with programmable phase delay (relative to CLKIN) for paralleling multiple phases. The MAX5038A/MAX5041A also limit the reverse current in case the bus voltage becomes higher than the regulated output voltage. The MAX5038A offers a variety of factory-trimmed preset output voltages (see Selector Guide) and the MAX5041A offers an adjustable output voltage between +1.0V to +3.3V.

The MAX5038A/MAX5041A operate over the extended temperature range (-40°C to +85°C) and are available in a 28-pin SSOP package. Refer to the MAX5037A and MAX5065/MAX5067 data sheets for a VRM 9.0/VRM 9.1- compatible, VID-controlled, adjustable output voltage controller in a 44-pin MQFP/thin QFN or 28-pin SSOP package.

Applications

* High-End Desktop Computers * Large-Memory Arrays * Networking Systems * Point-of-Load High-Current/High-Density Telecom DC-DC Regulators * RAID Systems * Servers and Workstations

* +4.75V to +5.5V or +8V to +28V Input Voltage Range

* Up to 60A Output Current

* Internal Voltage Regulator for a +12V or +24V Power Bus

* True Differential Remote Output Sensing

* Two Out-Of-Phase Controllers Reduce Input Capacitance Requirement and Distribute Power Dissipation

* Average-Current-Mode Control

* Superior Current Sharing Between Individual Phases and Paralleled Modules

* Accurate Current Limit Eliminates MOSFET and Inductor Derating

* Limits Reverse-Current Sinking in Paralleled Modules

* Integrated 4A Gate Drivers

* Selectable Fixed Frequency 250kHz or 500kHz per Phase (Up to 1MHz for Two Phases)

* Fixed (MAX5038A) or Adjustable (MAX5041A) Output Voltages

* External Frequency Synchronization from 125kHz to 600kHz

* Internal PLL with Clock Output for Paralleling Multiple DC-DC Converters

* Thermal Protection

* 28-Pin SSOP Package

Elecena nie prowadzi sprzedaży elementów elektronicznych, ani w niej nie pośredniczy.

Produkt pochodzi z oferty sklepu