elecena.pl

Low-Power, Low-Glitch, Octal 12-Bit Voltage-Output DACs with Serial Interface

Analog Devices

Low-Power, Low-Glitch, Octal 12-Bit Voltage-Output DACs with Serial Interface RSS Sample
  • Darmowa próbka
MPN:
MAX5306
Producent:
ANALOG DEVICES
Dodany do bazy:
Ostatnio widziany:
Zmiana ceny:
-100% (17.01.2025)
Poprzednia cena:
13.64

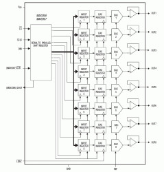
The MAX5306/MAX5307 are 12-bit, eight channel, low-power, voltage-output, digital-to-analog converters (DACs) in a space-saving 16-pin TSSOP package. The wide +2.7V to +5.5V supply voltage range and less than 215µA (max) supply current per DAC are excellent for low-power and low-voltage applications. The low 2nV/s glitch energy of the MAX5306/MAX5307 makes them ideal for digital control of fast-response, closed-loop systems.

The MAX5306 has a digital output (DOUT) that can be used for daisy-chaining multiple devices. The MAX5307 has a hardware reset input (active-low CLR) which clears all registers and DACs to zero. The MAX5306/MAX5307 have a software shutdown feature that reduces the supply current to 1µA. The MAX5306/MAX5307 feature a load DAC (active-low LDAC) function that updates the output of all eight DACs simultaneously. The 3-wire SPI™, QSPI™, MICROWIRE™ and DSP-compatible serial interface allows the input and DAC registers to be updated independently or simultaneously with a single software command. These devices use a double-buffered design to minimize the digital-noise feedthrough from the digital inputs to the outputs.The MAX5306/MAX5307 operating temperature range is from -40°C to +85°C.

Applications

* Control of Optical Components * Gain and Offset Adjustment * Portable Instrumentation Equipment * Power Amplifier Control * Process-Control I/O Boards

* Eight Highly Integrated 12-Bit DACs in 16-Pin TSSOP (6.4mm x 5mm) Package

* Ultra-Low Glitch Energy < 2nV/s

* Low Total Supply Current:

* 1.7mA (max) with VREF = VDD = +5.5V

* +2.7V to +5.5V Wide Single-Supply Range

* Fast 5µs Settling Time

* Software-Selectable Shutdown Mode < 1µA

* 15MHz 3-Wire SPI, QSPI, and MICROWIRE-Compatible Serial Interface

* Power-Up Reset to Zero Scale

Elecena nie prowadzi sprzedaży elementów elektronicznych, ani w niej nie pośredniczy.

Produkt pochodzi z oferty sklepu