Dual-/Triple-Voltage, Power-Supply Trackers/Sequencers/Supervisors
Analog Devices
RSS
Sample
- Darmowa próbka
- MPN:
- MAX6879
- Producent:
- ANALOG DEVICES
- Dodany do bazy:
- Ostatnio widziany:
Sugerowane produkty dla max6877
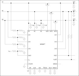
The MAX6877/MAX6878/MAX6879 multivoltage power trackers/sequencers/supervisors monitor up to three system voltages and provide proper power-up and power-down control for systems requiring voltage tracking or sequencing. These devices ensure controlled voltage tracking within a specified range or sequencing in the proper order as system power supplies are enabled. The MAX6877/MAX6878/MAX6879 generate all required voltages and timing to control up to three external n-channel pass FETs for the OUT1/OUT2/OUT3 supply voltages (see the Selector Guide for different features of each device).
The MAX6877/MAX6878/MAX6879 feature adjustable undervoltage thresholds for each input supply. When all the voltages are above these adjustable thresholds, the devices turn on the external n-channel MOSFETs to either sequence or track the voltages to the system. During voltage-tracking mode, the voltage at the GATE of each MOSFET is increased to slowly bring up all supplies at a controlled slew rate. The MAX6877/MAX6878/MAX6879 feature an autoretry or latch-off mode with capacitor-adjusted timing.
These devices also provide a controlled power-down (tracking mode) when the system shuts off in an orderly manner. When an unexpected fault occurs, the outputs are all pulled down simultaneously with an internal 100Ω pulldown to help discharge capactive loads at the MOSFET's source. The MAX6877/MAX6878/MAX6879 feature independent internal charge pumps to fully enhance the external FETs for low-voltage drop at highpass current. The MAX6877 and MAX6878 also feature a power-good output with a selectable timeout period that can be used for system reset.
The MAX6877/MAX6878/MAX6879 are available in small 4mm x 4mm 24-pin and 16-pin thin QFN packages and are fully specified over the -40°C to +85°C extended operating temperature range.
Applications
* Multivoltage Systems * Networking Systems * Servers/Workstations * Storage Equipment * Telecom
* Pin-Selectable Tracking or Sequencing Control for Up to Three Supply Voltages
* Capacitor-Adjustable Power-Up/Down Tracking Slew Rate
* Capacitor-Adjustable Power-Up Sequencing Delay
* Internal Charge Pumps to Enhance External n-Channel FETs
* Capacitor-Adjustable Timeout Period Power-Good Output (MAX6877/MAX6878)
* Adjustable Undervoltage Lockout or Logic-Enable Input
* Internal 100Ω Pulldown for Each Output to Discharge Capacitive Load Quickly
* 0.5V to 5.5V Nominal IN/OUT Range
* 2.7V to 5.5V Operating Voltage Range
* Immune to Short Voltage Transients
* Small 4mm x 4mm 24-Pin or 16-Pin Thin QFN Packages
Elecena nie prowadzi sprzedaży elementów elektronicznych, ani w niej nie pośredniczy.
Produkt pochodzi z oferty sklepu Analog Devices