16-Bit, Mixed-Signal Microcontroller with Op Amps, ADC, and DACs for All-in-One Servo Loop Control
Analog Devices
RSS
Sample
- Darmowa próbka
- MPN:
- MAXQ8913
- Producent:
- ANALOG DEVICES
- Dodany do bazy:
- Ostatnio widziany:
Sugerowane produkty dla maxq8913
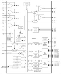
The MAXQ8913 is a single-chip servo controller designed as a complete solution for dual axis optical image stabilization (OIS) applications. The device incorporates all the necessary elements for conditioning of sensor signals, analog-to-digital conversion, digital servo algorithm implementation using a 16-bit RISC microcontroller, and digital-to-analog conversion, as well as including dual servo amplifiers.
Even though the device is targeted for OIS applications, it can be effectively used in many other types of servo control. The MAXQ8913 supports both voice coil and stepper motor applications.
The MAXQ8913 includes four op amps; a 7-channel, 12-bit ADC; dual 10-bit differential DACs; and dual 8-bit single-ended DACs. It also contains 64KB of flash memory, 4KB of RAM, 4KB of ROM, a 16-bit timer/counter, a universal asynchronous/synchronous receiver-transmitter (USART), an I²C port, and an SPI™ master/slave port.
For the ultimate in low-power performance, the OIS device includes a low-power sleep mode, the ability to selectively disable peripherals, and multiple power-saving operating modes.
Applications
* Digital Camera and Cell Phone Optical Image Stabilization
* Servo Loop Control
* Tone Generation with Speaker Drive
* High-Performance, Low-Power, 16-Bit MAXQ® RISC Core
* One-Cycle, 16 x 16 Hardware Multiply/Accumulate with 48-Bit Accumulator
* Two Current Sinks for Driving Hall-Effect Elements
* Four DACs
* DC to 10MHz Operation; Approaching 1MIPS per MHz
* 2.7V to 3.6V Logic/Analog Operating Voltage
* 33 Instructions, Most Single Cycle
* Three Independent Data Pointers Accelerate Data Movement with Automatic Increment/Decrement
* 16-Level Hardware Stack
* 16-Bit Instruction Word, 16-Bit Data Bus
* 16 x 16-Bit General-Purpose Working Registers
* Optimized for C Compilers
* Memory Features
* 64KB Flash Memory
* 4KB of Internal Data RAM
* 4KB of Utility ROM
* JTAG Bootloader for Programming and Debug
Elecena nie prowadzi sprzedaży elementów elektronicznych, ani w niej nie pośredniczy.
Produkt pochodzi z oferty sklepu Analog Devices