SiGe High-Linearity, 400MHz to 1000MHz Downconversion Mixer with LO Buffer/Switch
Analog Devices
RSS
Sample
- Darmowa próbka
- MPN:
- MAX9984
- Producent:
- ANALOG DEVICES
- Dodany do bazy:
- Ostatnio widziany:
- Zmiana ceny:
- -100% (19.01.2025)
- Poprzednia cena:
- 10.41
Sugerowane produkty dla max9986
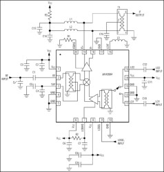
The MAX9984 high-linearity downconversion mixer provides 8.1dB gain, +25dBm IIP3, and 9.3dB NF for 400MHz to 1000MHz base-station receiver applications†. With an optimized 570MHz to 850MHz LO frequency range, this particular mixer is ideal for low-side LO injection receiver architectures in the cellular band. High-side LO injection is supported by the MAX9986, which is pin-for-pin and functionally compatible with the MAX9984.
In addition to offering excellent linearity and noise performance, the MAX9984 also yields a high level of component integration. This device includes a double-balanced passive mixer core, an IF amplifier, a dual-input LO selectable switch, and an LO buffer. On-chip baluns are also integrated to allow for single-ended RF and LO inputs. The MAX9984 requires a nominal LO drive of 0dBm, and supply current is guaranteed to be below 265mA.
The MAX9984/MAX9986 are pin compatible with the MAX9994/MAX9996 1700MHz to 2200MHz mixers, making this entire family of downconverters ideal for applications where a common PC board layout is used for both frequency bands. The MAX9984 is also functionally compatible with the MAX9993.
The MAX9984 is available in a compact, 20-pin, thin QFN package (5mm x 5mm) with an exposed paddle. Electrical performance is guaranteed over the extended -40°C to +85°C temperature range.
Applications
* 400MHz to 700MHz OFDM/WiMAX CPE and Base-Station Equipment * 850MHz WCDMA Base Stations * Digital and Spread-Spectrum Communication Systems * Fixed Broadband Wireless Access * GSM 850/GSM 900 2G and 2.5G EDGE Base Stations * iDEN® Base Stations * Microwave Links * Military Systems * Predistortion Receivers * Private Mobile Radios (PMRs) * Wireless Local Loop (WLL)
Elecena nie prowadzi sprzedaży elementów elektronicznych, ani w niej nie pośredniczy.
Produkt pochodzi z oferty sklepu Analog Devices