elecena.pl

2:8 Differential LVPECL/LVECL/HSTL Clock and Data Driver

Analog Devices

2:8 Differential LVPECL/LVECL/HSTL Clock and Data Driver RSS Sample
  • Darmowa próbka
MPN:
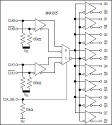
MAX9325
Producent:
ANALOG DEVICES
Dodany do bazy:
Ostatnio widziany:

The MAX9325 low-skew, 2:8 differential driver features extremely low output-to-output skew (50ps max) and part-to-part skew (225ps max). These features make the device ideal for clock and data distribution across a backplane or board. The device selects one of the two differential HSTL or LVECL/LVPECL inputs and repeats them at eight differential outputs. Outputs are compatible with LVECL and LVPECL, and can directly drive 50Ω terminated transmission lines.

The differential inputs can be configured to accept a single-ended signal when the unused complementary input is connected to the on-chip reference output voltage VBB. All inputs have internal pulldown resistors to VEE. The internal pulldowns and a fail-safe circuit ensure differential low default outputs when the inputs are left open or at VEE.

The MAX9325 operates over a 2.375V to 3.8V supply range for interfacing to differential HSTL and LVPECL signals. This allows high-performance clock or data distribution in systems with a nominal +2.5V or +3.3V supply. For LVECL operation, the device operates with a -2.375V to -3.8V supply.

The MAX9325 is offered in 28-lead PLCC and space-saving 28-lead QFN packages. The MAX9325 is specified for operation from -40°C to +85°C.

Applications

* Low-Jitter Data Repeater * Precision Clock Distribution

Elecena nie prowadzi sprzedaży elementów elektronicznych, ani w niej nie pośredniczy.

Produkt pochodzi z oferty sklepu