elecena.pl

1.5MHz, Dual, 180° Out-of-Phase, PWM Step-Down Controller with POR

Analog Devices

1.5MHz, Dual, 180° Out-of-Phase, PWM Step-Down Controller with POR RSS Sample
  • Darmowa próbka
MPN:
MAX8529
Producent:
ANALOG DEVICES
Dodany do bazy:
Ostatnio widziany:

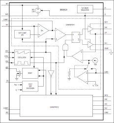
The MAX8529 dual, synchronized, step-down controller generates two outputs from input supplies ranging from 4.75V to 23V. Each output is adjustable from sub-1V to 18V. Input voltage ripple and total RMS input ripple current are reduced by synchronized 180-degree out-of-phase operation.

The switching frequency is adjustable from 600kHz to 1.5MHz with an external resistor. Alternatively, the controller can be synchronized to an external clock generated to another MAX8529 or a system clock. One MAX8529 can be set to generate an in-phase, or 90-degree out-of-phase, clock signal for synchronization with additional controllers. This allows two controllers to operate either as an interleaved two- or four-phase system with each output shifted by 90 degrees. These devices also feature soft-start and soft-stop.

The MAX8529 eliminates the need for current-sense resistors by utilizing the low-side MOSFET's on-resistance as a current-sense element. This protects the DC-to-DC components from damage during output overload conditions or when output short circuit faults without requiring a current-sense resistor. Adjustable foldback current limit reduces power dissipation during short-circuit conditions. The MAX8529 includes a power-on reset output to signal the system when both outputs reach regulation.

The MAX8529 is available in a 24-pin QSOP package. An evaluation kit is available to speed designs.

Applications

* Broadband Routers * DSP, ASIC, and FPGA Power Supplies * Set-Top Boxes * xDSL Modems and Routers

* Low Output Noise in DSL Band

* Ceramic Input/Output Capacitors

* Step-Down or Step-Up/Step-Down Operation

* Four Output, 90-Degree Out-of-Phase Operation (Using Two MAX8529s)

* Foldback Current Limit

* 4.75V to 23V Input Supply Range

* 0 to 18V Output Voltage Range (Up to 6A)

* > 90% Efficiency

* Fixed-Frequency PWM Operation

* Adjustable 600kHz to 1.5MHz Switching Frequency

* External SYNC Input

* Clock Output for Master/Slave Synchronization

* Soft-Start and Soft-Stop

* Active-Low RST Output with 140ms Minimum Delay

* Lossless Current Limit (No Sense Resistor)

Elecena nie prowadzi sprzedaży elementów elektronicznych, ani w niej nie pośredniczy.

Produkt pochodzi z oferty sklepu