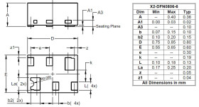
MOSFET P-kanałowy 220 mA X2-DFN0806-6 30 V SMD
RS Components
RSS
0.14
x 10000
Przejdź do sklepu »
- Zgodny z RoHS
- MPN:
- DMP32D9UDAQ-7B
- Kod:
- 2548637
- Minimalne zamówienie:
- 10 000 szt.
- Producent:
- DiodesZetex
- Dodany do bazy:
- Ostatnio widziany:
- Zmiana ceny:
- -22% (23.06.2025)
- Poprzednia cena:
- 0.18
Sugerowane produkty dla diodezetex
Transformator MOSFET w trybie wzmocnienia kanału P DiodeZetex został zaprojektowany w celu zminimalizowania rezystancji w stanie włączonym przy zachowaniu doskonałej wydajności przełączania, dzięki czemu idealnie nadaje się do zastosowań zarządzania zasilaniem o wysokiej wydajności.
Elecena nie prowadzi sprzedaży elementów elektronicznych, ani w niej nie pośredniczy.
Produkt pochodzi z oferty sklepu RS Components