elecena.pl

Automotive 1.5A Step-Down Converter with USB Protection/Host Charger Adapter Emulator

Analog Devices

Automotive 1.5A Step-Down Converter with USB Protection/Host Charger Adapter Emulator RSS Sample
  • Darmowa próbka
MPN:
MAX25460
Producent:
ANALOG DEVICES
Dodany do bazy:
Ostatnio widziany:
Zmiana ceny:
-100% (21.01.2025)
Poprzednia cena:
0.84

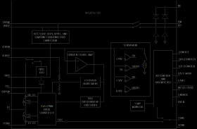
The MAX25460 combines a 1.5A high-efficiency, automotive-grade, step-down converter, a USB BC1.2 host charger emulator, and high-bandwidth USB protection switches for automotive USB 2.0 host applications. The device also includes a USB load current-sense amplifier and a configurable feedback adjustment circuit that provides automatic USB voltage compensation for voltage drops in captive cables often found in automotive applications. The device limits the USB load current using both a fixed internal peak-current threshold and a user-configurable external current-sense USB load threshold.

The MAX25460 is optimized for 2.2MHz operation allowing optimization of efficiency, noise, and board space based on the application requirements. The DC-DC converter integrates a high-side MOSFET and uses a low forward-drop freewheeling Schottky diode for rectification. There is a small low-side n-channel switch to maintain fixed frequency under light loads. The IC includes an external SYNC input/output, and can be configured for spread-spectrum operation. The MAX25460 allows flexible configuration and advanced diagnostic options for both standalone and supervised applications. The device can be programmed using either external programming resistors and/or internal I2C registers through the I2C bus.

The MAX25460 is available in a small 4mm x 5mm 24-pin TQFN package and is designed to minimize required external components and layout area.

APPLICATIONS

* Automotive Radio and Navigation

* USB Port for Host and Hub Applications

* Automotive Connectivity/Telematics

* One-Chip Type-A Solution Directly from Car Battery to Portable Device

* 1GHz Bandwidth USB 2.0 Data Switches

* 4.5V to 28V (40V Load Dump) Operating Voltage

* 5V to 6V, 1.5A Output Capability

* Optimal USB Charging and Communication for Portable Devices

* User-Programmable Voltage Gain Adjusts Output for Up to 474mΩ Cable Resistance

* User-Programmable USB Current Limit

* Supports USB BC1.2 CDP and SDP Modes

* Compatible with USB On-the-Go Specification and Apple CarPlay®

* Low-Noise Features Prevent Interference with AM Band and Portable Devices

* Fixed-Frequency 2.2MHz Operation

* Fixed-Pulse-Width Modulation (PWM) Option at No Load

* Spread Spectrum for Electromagnetic Interference (EMI) Reduction

* SYNC Input/Output for Frequency Parking

Elecena nie prowadzi sprzedaży elementów elektronicznych, ani w niej nie pośredniczy.

Produkt pochodzi z oferty sklepu