elecena.pl

4.3-V to 17-V input, 2-A, ECO mode synchronous buck converter in SOT563 package

Texas Instruments

4.3-V to 17-V input, 2-A, ECO mode synchronous buck converter in SOT563 package RSS Sample
  • Darmowa próbka
MPN:
TPS562202S
Producent:
TEXAS INSTRUMENTS
Dodany do bazy:
Ostatnio widziany:

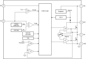
The TPS562202S is a simple, easy-to-use, 2-A synchronous buck converter in a SOT563 package.

The device is optimized to operate with minimum external components and also optimized to achieve low standby current.

This switch mode power supply (SMPS) device employs D-CAP2 mode control providing a fast transient response and supporting both low-equivalent series resistance (ESR) output capacitors such as specialty polymer and ultra-low ESR ceramic capacitors with no external compensation components.

The TPS562202S operates in ECO mode, which maintains high efficiency during light load operation. The TPS562202S is available in a 6-pin 1.6-mm × 1.6-mm SOT563 (DRL) package, and specified from a –40°C to 125°C junction temperature.

Elecena nie prowadzi sprzedaży elementów elektronicznych, ani w niej nie pośredniczy.

Produkt pochodzi z oferty sklepu