elecena.pl

Automotive 2.95-V to 6-V, 3-A, 2-MHz synchronous buck converter

Texas Instruments

Automotive 2.95-V to 6-V, 3-A, 2-MHz synchronous buck converter RSS Sample
  • Darmowa próbka
MPN:
TPS54388C-Q1
Producent:
TEXAS INSTRUMENTS
Dodany do bazy:
Ostatnio widziany:

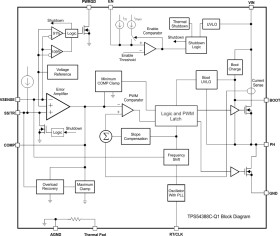
The TPS54388C-Q1 device is a full-featured 6-V, 3-A, synchronous step-down current-mode converter with two integrated MOSFETs.

The TPS54388C-Q1 device enables small designs by integrating the MOSFETs, implementing current-mode control to reduce external component count, reducing inductor size by enabling up to 2-MHz switching frequency, and minimizing the IC footprint with a small 3-mm × 3-mm thermally enhanced QFN package.

The TPS54388C-Q1 device provides accurate regulation for a variety of loads with an accurate ±1% voltage reference (Vref) over temperature.

The integrated 12-mΩ MOSFETs and 515-µA typical supply current maximize efficiency. Entering shutdown mode using the enable pin reduces shutdown supply current to 5.5 µA, typical.

The internal undervoltage lockout setting is at 2.45 V, but programming the threshold with a resistor network on the enable pin can increase the setting. The slow-start pin sets the output-voltage start-up ramp. An open-drain power-good signal indicates when the output is within 93% to 107% of its nominal voltage.

Frequency foldback and thermal shutdown protect the device during an overcurrent condition.

Elecena nie prowadzi sprzedaży elementów elektronicznych, ani w niej nie pośredniczy.

Produkt pochodzi z oferty sklepu