elecena.pl

Enhanced product, dual-channel, 900-MHz, 2.2-nV/√Hz, programmable gain transimpedance amplifier

Texas Instruments

Enhanced product, dual-channel, 900-MHz, 2.2-nV/√Hz, programmable gain transimpedance amplifier RSS Sample
  • Darmowa próbka
MPN:
OPA3S2859-EP
Producent:
TEXAS INSTRUMENTS
Dodany do bazy:
Ostatnio widziany:

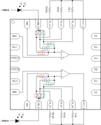
The OPA3S2859-EP is a wideband, low-noise programmable gain amplifier with CMOS inputs for wideband transimpedance and voltage amplifier applications. When the device is configured as a transimpedence amplifier (TIA), the 0.9-GHz gain bandwidth product (GBWP) enables high closed-loop bandwidths in low-capacitance photodiode (PD) applications.

The three internal switched feedback paths along with an optional parallel non-switched feedback path allows for up to four selectable gain configurations. The internal switches minimize parasitic contributions to increase performance compared to systems that use discrete external switches. Each switch is optimized for feedback resistor values ranging from < 1 kΩ to > 100 kΩ for wide dynamic range applications. The selected switch path is controlled for both channels using a 2-wire parallel interface. For each channel selected, the gain path can also be held constant by exerting the latch pin, which subsequently disables switch control for the selected channel and prevents the channel from changing gain.

.

.

.

Elecena nie prowadzi sprzedaży elementów elektronicznych, ani w niej nie pośredniczy.

Produkt pochodzi z oferty sklepu