elecena.pl

12-bit 4-channel voltage/current output smart DAC with Hi-Z, EEPROM and waveform generator

Texas Instruments

12-bit 4-channel voltage/current output smart DAC with Hi-Z, EEPROM and waveform generator RSS Sample
  • Darmowa próbka
MPN:
DAC63204
Producent:
TEXAS INSTRUMENTS
Dodany do bazy:
Ostatnio widziany:

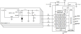
The 12-bit DAC63204, 10-bit DAC53204, and 8-bit DAC43204 ( DACx3204) are a pin-compatible family of quad-channel, buffered, voltage-output and current-output smart digital-to-analog converters (DACs). These DACx3204 support Hi-Z power-down mode and Hi-Z output during power-off condition. The DAC outputs provide a force-sense option for use as a programmable comparator and current sink. The multifunction GPIO, function generation, and NVM enable these smart DACs for processor-less applications and design reuse. These devices automatically detect I2C, PMBus, and SPI interfaces and contain an internal reference.

The feature set combined with the tiny package and low power make these smart DACs an excellent choice for applications such as voltage margining and scaling, dc set-point for biasing and calibration, and waveform generation.

Elecena nie prowadzi sprzedaży elementów elektronicznych, ani w niej nie pośredniczy.

Produkt pochodzi z oferty sklepu