elecena.pl

10-bit, 12-bit, and 14-bit, multichannel, low-power ADC with LVDS and JESD outputs

Texas Instruments

10-bit, 12-bit, and 14-bit, multichannel, low-power ADC with LVDS and JESD outputs RSS Sample
  • Darmowa próbka
MPN:
ADS52J91
Producent:
TEXAS INSTRUMENTS
Dodany do bazy:
Ostatnio widziany:

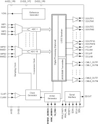
The ADS52J91 is a low-power, high-performance, 16-channel, analog-to-digital converter (ADC). The conversion rate of each ADC goes up to a maximum of 125 MSPS in 10-bit mode. The maximum conversion rate reduces when the ADC resolution is set to a higher value.

The device can be configured to accept 8, 16, or 32 inputs. In 32-input mode, each ADC alternately samples and converts two different inputs each at an effective sampling rate that is half of the ADC conversion rate. In 8-bit input mode, two ADCs convert the same input in an interleaved manner, resulting in an effective sampling rate that is twice the ADC conversion rate. The ADC is designed to scale its power with the conversion rate.

The ADC outputs are serialized and output through a low-voltage differential signaling (LVDS) interface along with a frame clock and a high-speed bit clock.

The device also has an optional JESD204B interface while operating in the 16-input and 32-input modes. This interface runs up to 5 Gbps

The device is available in a 9-mm × 15-mm, 0.8-mm pitch, NFBGA-198 package

Elecena nie prowadzi sprzedaży elementów elektronicznych, ani w niej nie pośredniczy.

Produkt pochodzi z oferty sklepu