elecena.pl

Isolated, Dual Channel RS-232 Line Driver/Receiver

Analog Devices

Isolated, Dual Channel RS-232 Line Driver/Receiver RSS Sample
  • Darmowa próbka
MPN:
ADM3252E
Producent:
ANALOG DEVICES
Dodany do bazy:
Ostatnio widziany:
Zmiana ceny:
-100% (21.01.2025)
Poprzednia cena:
9.99

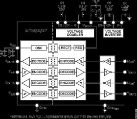
The ADM3252E is a high speed, 2.5 kV fully isolated, dual-channel RS-232/V.28 transceiver device that is operational from a single 3.3 V or 5 V power supply. Because of high ESD protection on the RIN1, RIN2, TOUT1, and TOUT2 pins, the ADM3252E is ideally suited for operation in electrically harsh environments or where RS-232 cables are frequently plugged and unplugged.

The ADM3252E provides four independent isolation channels using the integrated and isolated power of isoPower™. There is no requirement to use a separate isolated dc-to-dc converter. Chip scale transformer iCoupler® technology from Analog Devices, Inc., is used for both the isolation of the logic signals and the integrated dc-to-dc converter. The result is a total isolation solution.

isoPower™ technology in the ADM3252E uses high frequency switching elements to transfer power through its transformer. Special care must be taken during printed circuit board (PCB) layout to meet emissions standards. Refer to Application Note AN-0971, Recommendations for Control of Radiated Emissions with isoPower Devices, for details on board layout considerations.

The ADM3252E conforms to the EIA/TIA-232E and ITU-T V.28 specifications and operates at data rates of up to 460 kbps. Four external 0.1 μF charge pump capacitors are used for the voltage doubler/inverter, permitting operation from a single 3.3 V or 5 V supply. The ADM3252E is available in a 44-ball, chip scale package ball grid array (CSPBGA) and is specified over the −40°C to +85°C temperature range.

APPLICATIONS

* Isolated RS-232 interface

* High noise data communications

* Industrial communications

* Industrial/telecommunications diagnostic ports

* Medical equipment

* 2.5 kV fully isolated (power and data) RS-232 transceiver

* isoPower integrated, isolated dc-to-dc converter

* Operational from single 3.3 V or 5 V supply

* 460 kbps data rate

* 2 × Tx and 2 × Rx channels

* ESD protection on RINx and TOUTx pins

Contact discharge: ±8 kV

Air gap discharge: ±15 kV

Elecena nie prowadzi sprzedaży elementów elektronicznych, ani w niej nie pośredniczy.

Produkt pochodzi z oferty sklepu