elecena.pl

16 to 80V, 500kHz current sense amplifier

Texas Instruments

16 to 80V, 500kHz current sense amplifier RSS Sample
  • Darmowa próbka
MPN:
INA197
Producent:
TEXAS INSTRUMENTS
Dodany do bazy:
Ostatnio widziany:

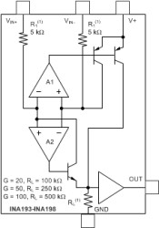
The INA193–INA198 family of current shunt monitors with voltage output can sense drops across shunts at common-mode voltages from –16 V to +80 V, independent of the INA19x supply voltage. They are available with three output voltage scales: 20 V/V, 50 V/V, and 100 V/V. The 500 kHz bandwidth simplifies use in current control loops. The INA193–INA195 devices provide identical functions but alternative pin configurations to the INA196–INA198 devices, respectively.

The INA193–INA198 devices operate from a single 2.7-V to 18-V supply, drawing a maximum of 900 µA of supply current. They are specified over the extended operating temperature range (–40°C to +125°C), and are offered in a space-saving SOT-23 package.

Elecena nie prowadzi sprzedaży elementów elektronicznych, ani w niej nie pośredniczy.

Produkt pochodzi z oferty sklepu