elecena.pl

15-W stereo, 30-W mono, 10- to 26-V supply, analog input Class-D audio amplifier w/ SE outputs

Texas Instruments

15-W stereo, 30-W mono, 10- to 26-V supply, analog input Class-D audio amplifier w/ SE outputs RSS Sample
  • Darmowa próbka
MPN:
TPA3121D2
Producent:
TEXAS INSTRUMENTS
Dodany do bazy:
Ostatnio widziany:

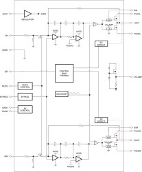
The TPA3121D2 is a 15-W (per channel), efficient, class-D audio power amplifier for driving stereo speakers in a single-ended configuration or a mono speaker in a bridge-tied-load configuration. The TPA3121D2 can drive stereo speakers as low as 4 Ω. The efficiency of the TPA3121D2 eliminates the need for an external heat sink when playing music.

The gain of the amplifier is controlled by two gain select pins. The gain selections are 20, 26, 32, and 36 dB.

The patented start-up and shutdown sequences minimize pop noise in the speakers without additional circuitry.

Elecena nie prowadzi sprzedaży elementów elektronicznych, ani w niej nie pośredniczy.

Produkt pochodzi z oferty sklepu