elecena.pl

210-W 5.1 channel, 0- to 34-V supply, PWM input Class-D audio amplifier

Texas Instruments

210-W 5.1 channel, 0- to 34-V supply, PWM input Class-D audio amplifier RSS Sample
  • Darmowa próbka
MPN:
TAS5186A
Producent:
TEXAS INSTRUMENTS
Dodany do bazy:
Ostatnio widziany:

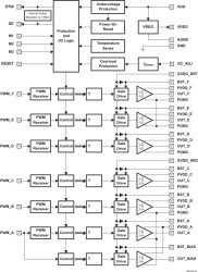
The TAS5186A is a high-performance, six-channel, digital-amplifier power stage with an improved protection system. The TAS5186A is capable of driving a 6-, single-ended subwoofer greater than 60 W at 10% THD+N performance.

A low-cost, high-fidelity audio system can be built using a TI chipset comprising a modulator (e.g., TAS5086) and the TAS5186A. This device does not require power-up sequencing because of the internal power-on reset.

The TAS5186A requires only simple passive demodulation filters on its outputs to deliver high-quality, high-efficiency audio amplification. The device efficiency of the TAS5186A is greater than 90% when driving 6- subwoofer speaker.

The TAS5186A has an innovative protection system integrated on-chip, safeguarding the device against a wide range of fault conditions that could damage the system. These safeguards are short-circuit protection, overload protection, undervoltage protection, and overtemperature protection. The TAS5186A has a new proprietary current-limiting circuit that reduces the possibility of device shutdown during high-level music transients. A new programmable overcurrent detector allows the use of lower-cost inductors in the demodulation output filter.

Elecena nie prowadzi sprzedaży elementów elektronicznych, ani w niej nie pośredniczy.

Produkt pochodzi z oferty sklepu