11-V, 1.5-A, dual H-bridge or stepper motor driver with 1/32 microstep indexer
Texas Instruments
RSS
Sample
- Darmowa próbka
- MPN:
- DRV8834
- Producent:
- TEXAS INSTRUMENTS
- Dodany do bazy:
- Ostatnio widziany:
Sugerowane produkty dla microstep
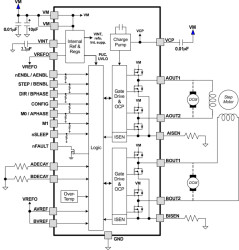
The DRV8834 provides a flexible motor driver solution for toys, printers, cameras, and other mechatronic applications. The device has two H-bridge drivers, and is intended to drive a bipolar stepper motor or two DC motors.
The output driver block of each H-bridge consists of N-channel power MOSFETs configured as an H-bridge to drive the motor windings. Each H-bridge includes circuitry to regulate or limit the winding current.
With proper PCB design, each H-bridge of the DRV8834 can driving up to 1.5-A RMS (or DC) continuously, at 25°C with a VM supply of 5 V. The device can support peak currents of up to 2.2 A per bridge. Current capability is reduced slightly at lower VM voltages.
Internal shutdown functions with a fault output pin are provided for overcurrent protection, short-circuit protection, undervoltage lockout and overtemperature. A low-power sleep mode is also provided.
The DRV8834 is packaged in a 24-pin HTSSOP or VQFN package with PowerPAD™ (Eco-friendly: RoHS & no Sb/Br).
Elecena nie prowadzi sprzedaży elementów elektronicznych, ani w niej nie pośredniczy.
Produkt pochodzi z oferty sklepu Texas Instruments