elecena.pl

300M-4800MHz Low Noise Integer-N/Fractional-N PLL with Integrated VCO and up to 8 Outputs

Texas Instruments

300M-4800MHz Low Noise Integer-N/Fractional-N PLL with Integrated VCO and up to 8 Outputs RSS Sample
  • Darmowa próbka
MPN:
TRF3765
Producent:
TEXAS INSTRUMENTS
Dodany do bazy:
Ostatnio widziany:

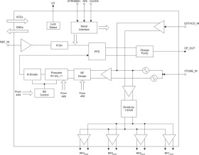
The TRF3765 is a wideband Integer-N/Fractional-N frequency synthesizer with an integrated, wideband voltage-controlled oscillator (VCO). Programmable output dividers enable continuous frequency coverage from 300 MHz to 4.8 GHz. Four separate differential, open-collector RF outputs allow multiple devices to be driven in parallel without the need of external splitters.

The TRF3765 also accepts external VCO input signals and allows on/off control through a programmable control output. For maximum flexibility and wide reference frequency range, wide-range divide ratio settings are programmable and an off-chip loop filter can be used.

The TRF3765 is available in an RHB-32 QFN package.

Elecena nie prowadzi sprzedaży elementów elektronicznych, ani w niej nie pośredniczy.

Produkt pochodzi z oferty sklepu