Dual-Channel, 12-Bit, 500-MSPS Digital-to-Analog Converter (DAC)
Texas Instruments
RSS
Sample
- Darmowa próbka
- MPN:
- DAC3162
- Producent:
- TEXAS INSTRUMENTS
- Dodany do bazy:
- Ostatnio widziany:
Sugerowane produkty dla as500
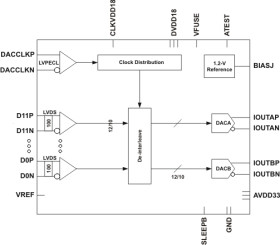
The DAC3152/DAC3162 is a low-power, low-latency, high-dynamic-range, dual-channel, 10-/12-bit, pin-compatible family of digital-to-analog converters (DACs) with a sample rate as high as 500 MSPS.
The device simplicity (no software required), low latency, and low power simplify the design of complex systems. The DACs interface seamlessly with the high-performance TRF370333 analog quadrature modulator for direct upconversion architectures.
Digital data for both DAC channels is interleaved through a single LVDS data bus with on-chip termination. The high input rate of the devices allows the processing of wide-bandwidth signals.
The devices are characterized for operation over the entire industrial temperature range of –40°C to 85°C and are available in a small 48-pin 7-mm × 7-mm QFN package.
The low power, small size, speed, superior crosstalk, simplicity, and low latency of the DAC3152/DAC3162 make them an attractive fit for a variety of applications.
Elecena nie prowadzi sprzedaży elementów elektronicznych, ani w niej nie pośredniczy.
Produkt pochodzi z oferty sklepu Texas Instruments