AISG® 2.0 on and off keying coax modem transceiver
Texas Instruments
RSS
Sample
- Darmowa próbka
- MPN:
- SN65HVD62
- Producent:
- TEXAS INSTRUMENTS
- Dodany do bazy:
- Ostatnio widziany:
Sugerowane produkty dla hvd62
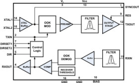
These transceivers modulate and demodulate signals between the logic (baseband) and a frequency suitable for long coaxial media.
The HVD62 is an integrated AISG transceiver designed to be compliant with Antenna Interface Standards Group v2.0 specification.
The HVD62 receiver integrates an active bandpass filter to enable demodulation of signals even in the presence of spurious frequency components. The filter has a 2.176 MHz center frequency.
The transmitter supports adjustable output power levels varying from +0dBm to +6dBm delivered to the 50 Ω coax cable. The HVD62 transmitter is compliant with the spectrum emission requirement provided by the AISG standard.
A direction control output is provided which facilitates bus arbitration for an RS-485 interface. These devices integrate an oscillator input for a crystal, and also accept standard clock inputs to the oscillator.
Elecena nie prowadzi sprzedaży elementów elektronicznych, ani w niej nie pośredniczy.
Produkt pochodzi z oferty sklepu Texas Instruments