5-V, 3:1, 12-channel general-purpose analog multiplexer
Texas Instruments
RSS
Sample
Przejdź do sklepu »
- Darmowa próbka
- MPN:
- SN74CBT16214
- Producent:
- TEXAS INSTRUMENTS
- Dodany do bazy:
- Ostatnio widziany:
Sugerowane produkty dla sn74cbt16214
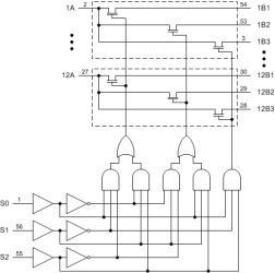
The SN74CBT16214 provides 12 bits of high-speed TTL-compatible bus switching between three separate ports. The low ON-state resistance of the switch allows connections to be made with minimal propagation delay.
The device operates as a 12-bit bus-select switch via the data-select (S0–S2) terminals.
Elecena nie prowadzi sprzedaży elementów elektronicznych, ani w niej nie pośredniczy.
Produkt pochodzi z oferty sklepu Texas Instruments