elecena.pl

Type-1 4-Channel PoE PSE with integrated FET & current sense

Texas Instruments

Type-1 4-Channel PoE PSE with integrated FET & current sense RSS Sample
  • Darmowa próbka
MPN:
TPS2384
Producent:
TEXAS INSTRUMENTS
Dodany do bazy:
Ostatnio widziany:

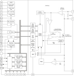
The TPS2384 is a quad-port power sourcing equipment power manager (PSEPM) and is compliant to the Power-over-Ethernet (PoE) IEEE 802.3af standard. The TPS2384 operates from a single 48-V supply and over a wide temperature range (–40°C to 125°C). The integrated output eliminates two external components per port (FET and sense resistor) and survives 100-V transients. Four individual 15-bit A/D converters are used to measure port resistance, voltage, current and die temperature making PSE solutions simple and robust. The TPS2384 comes with a comprehensive software solution to meet the most demanding applications which can serve as a core for all PoE system designs.

TheTPS2384 is available in either 64-pin PowerPAD™ down (PAP) or 64-pin PowerPAD™ up (PJD) packages.

Elecena nie prowadzi sprzedaży elementów elektronicznych, ani w niej nie pośredniczy.

Produkt pochodzi z oferty sklepu