elecena.pl

10.8-V to 13.2-V dual channelhot swap controller for PCIExpress

Texas Instruments

10.8-V to 13.2-V dual channelhot swap controller for PCIExpress RSS Sample
  • Darmowa próbka
MPN:
TPS2363
Producent:
TEXAS INSTRUMENTS
Dodany do bazy:
Ostatnio widziany:

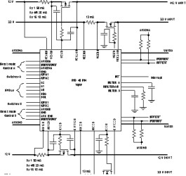
The TPS2363 is a dual-slot PCIExpress hot plug controller with SMBus control and monitoring functions. There are sense resistor programmable current limits for the 3.3-V and 12-V supply.

The TPS2363 has one internal FET channel for AUX and two external FET channels for 3.3-V and 12-V per slot.

The TPS2363PFB is in 48-pin TQFP package.

The TPS2363 has bleed-down circuits to discharge the module before it is removed, when the voltages are below the low comparator threshold, slot PWROFF will be set indicating it is safe to remove the module. This is available over the SMBus.

Gate capacitors are used to set the rise time, this allows soft turn on of the slot avoiding power glitches.

The TPS2363 can be operated in direct mode, which does not use the SMBus.

The TPS2363PFB without the A/D converter in a 48-pin package is a drop in replacement for the competitive parts but with certain improvements.

Elecena nie prowadzi sprzedaży elementów elektronicznych, ani w niej nie pośredniczy.

Produkt pochodzi z oferty sklepu