0.8-V to 16.5-V 1.2A IQ 291-uA Igate source N+1 and OR-ing power rail controller with enable
Texas Instruments
RSS
Sample
- Darmowa próbka
- MPN:
- TPS2419
- Producent:
- TEXAS INSTRUMENTS
- Dodany do bazy:
- Ostatnio widziany:
Sugerowane produkty dla igate
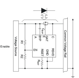
The TPS2419 controller, in conjunction with an external N-channel MOSFET, provides the reverse current protection of an ORing diode with the efficiency of a MOSFET. The TPS2419 can be used to combine multiple power supplies to a common bus in an N+1 configuration, or to combine redundant input power buses.
Applications for the TPS2419 include a wide range of systems including servers and telecom. These applications often have either N+1 redundant power supplies, redundant power buses, or both. Redundant power sources must have the equivalent of a diode OR to prevent reverse current during faults and hotplug.
Accurate voltage sensing and a programmable turn-off threshold allows operation to be tailored for a wide range of implementations and bus characteristics. The TPS2419 brings out an enable pin which allows the system to force the MOSFET off under light-load, high noise conditions.
Elecena nie prowadzi sprzedaży elementów elektronicznych, ani w niej nie pośredniczy.
Produkt pochodzi z oferty sklepu Texas Instruments